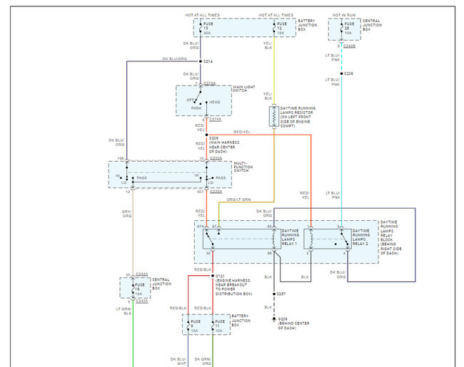
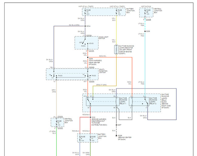
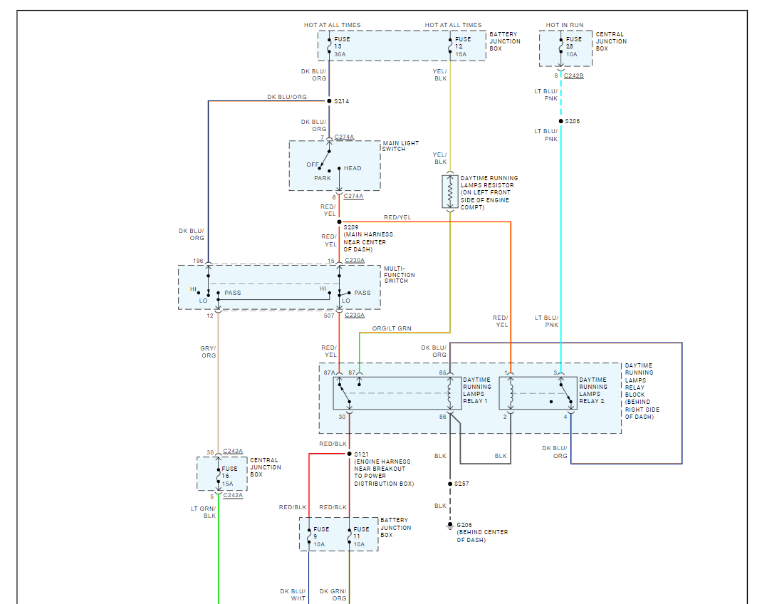
I have the low beam lights working. The high beams are not working at all. When I pull back on the switch to flash the brights no lights and the indicator light does not come on either. I have put power to the high beam wire and the lights come on, so I know the lamps are good. Have checked all the fuses as well
Nov 13, 2015 at 3:28 PM







