I need to know why my headlights stay on

2000 FORD EXPEDITION
150,000 MILES
Avatar
EKOLLAR
  • MEMBER
  • 1 POST
The headlights on my ford expedition won't turn off. I have to disconnrct the battery in order to turn off. I tried changing the switch on the dashboard but that's not the problem. Someone told me it may be the daylight saving lamps and that the sensor is in the front grill. What should I do?
Dec 3, 2011 at 7:01 PM
Advertisement
Avatar
STRAILER
  • CERTIFIED EXPERT
  • 53,854 POSTS
Hello,

It sounds like the headlight relay is stuck on. Here is a guide and a headlight wiring diagrams so you ca see how the system works.

https://www.2carpros.com/articles/how-to-check-an-electrical-relay-and-wiring-control-circuit

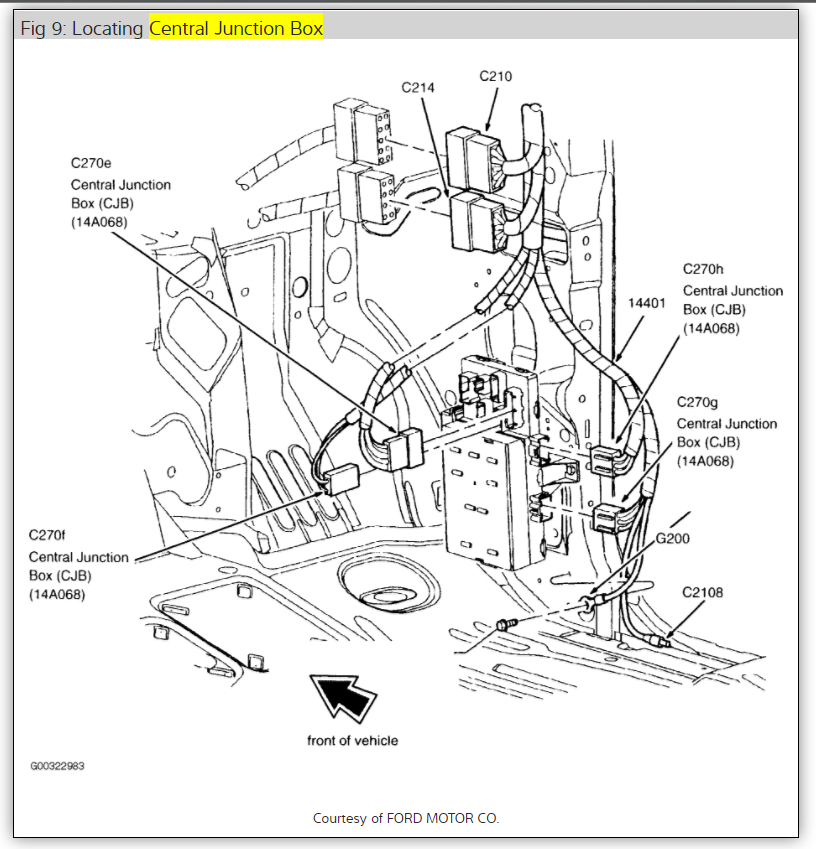
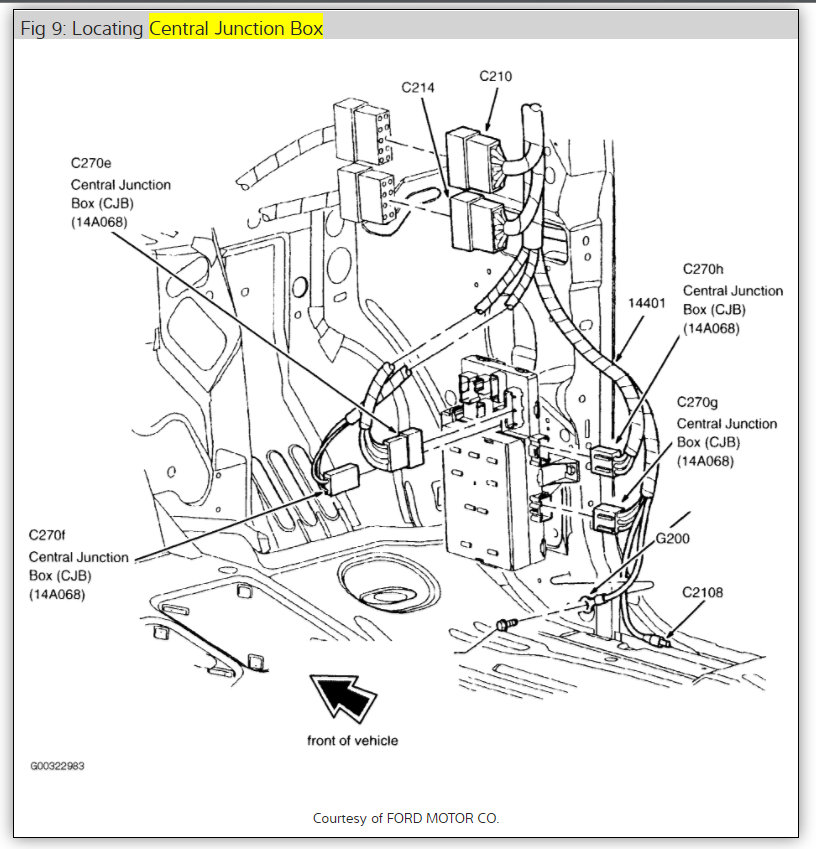
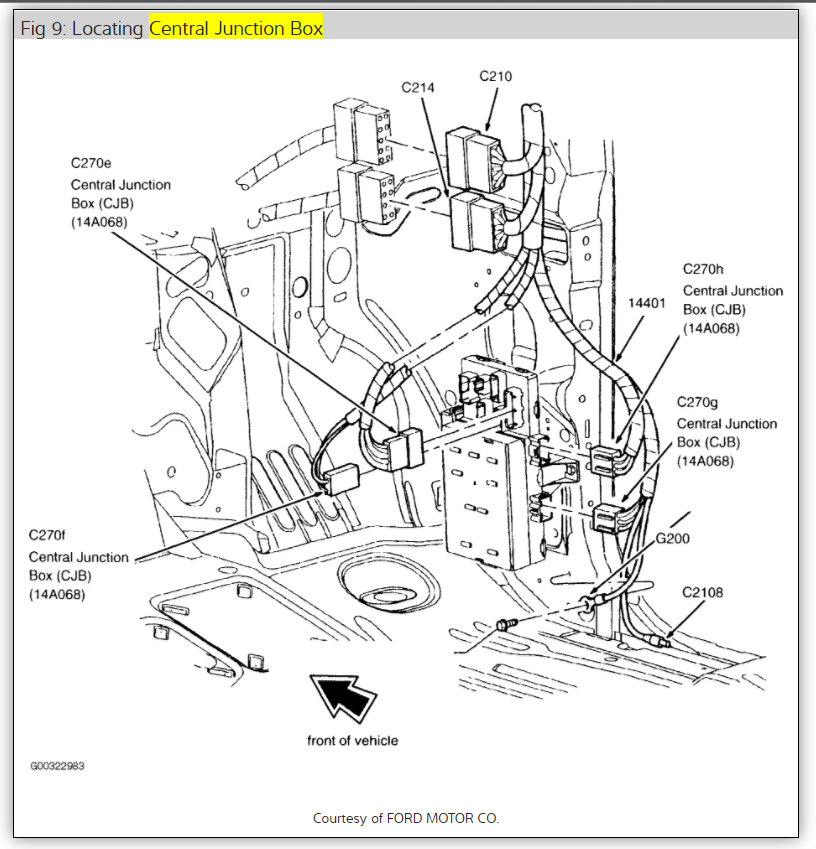
Here is the fuse panel and relay locations.

Check out the diagrams (Below)

Please let us know what you find.

Cheers, Ken
Dec 3, 2011 at 7:38 PM
Avatar
EKOLLAR
  • MEMBER
  • 1 POST
Yep that was it thanks for your help I love this site.


Dec 5, 2011 at 7:08 PM
Advertisement
Avatar
DHAMPSHIRE
  • MEMBER
  • 1 POST
Ekollar, what was the issue? I’m having the same issue in my expedition. Did you have to replace the relays?
Jun 2, 2020 at 3:00 AM
Avatar
STRAILER
  • CERTIFIED EXPERT
  • 53,854 POSTS
Yes, they did to fix the issue here are the headlight wiring diagrams so you can see how the system works. Check out the diagrams (below). Please let us know what happens.



Jun 2, 2020 at 2:00 PM