vacuum hose diagram

2000 FORD CONTOUR
14,456 MILES
Avatar
QUINCIE88
  • MEMBER
  • 1 POST
I need a vacuum hose diagram for 2000 ford contour 2.0 engine It also has rough idling and when driving it on and off i have to drive with 2 feet?
Oct 24, 2011 at 6:18 PM
Advertisement
Avatar
RASMATAZ
  • CERTIFIED EXPERT
  • 75,992 POSTS
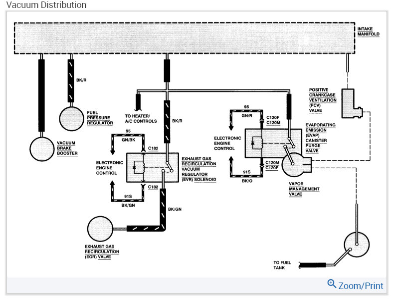
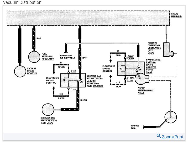
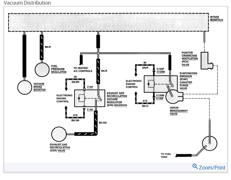
Here is the diagrams you have requested the engine vacuum line routing. Check out the diagrams (Below). Please let us know if you need anything else to get the problem fixed.
Oct 26, 2011 at 10:19 PM
Avatar
LUDGAIL
  • MEMBER
  • 4 POSTS
I somehow managed to break the vacuum hose coming off the brake power booster. I can't find the place it connects to. Any help would be appreciated.

Thank You
Jan 13, 2020 at 9:20 PM (Merged)
Advertisement
Avatar
SATURNTECH9
  • CERTIFIED EXPERT
  • 30,869 POSTS
The vacuum line goes to the intake manifold near the rear. Here is a vacuum routing diagram so you can see.

Check out the diagrams (Below)

Please let us know if you need anything else to get the problem fixed.

Cheers
Jan 13, 2020 at 9:20 PM (Merged)
Avatar
LUDGAIL
  • MEMBER
  • 4 POSTS
Thank you for the diagram, but I still can't tell where the vacuum line off the power booster goes to. I don't see any places around or under the intake to connect to.
Jan 13, 2020 at 9:20 PM (Merged)
Avatar
SATURNTECH9
  • CERTIFIED EXPERT
  • 30,869 POSTS
There is only one port big enough for the brake booster hose. Look toward the rear of the intake manifold.

Jan 13, 2020 at 9:20 PM (Merged)
Avatar
DATKIDQ
  • MEMBER
  • 1 POST
My power booster vacuum hose came off and I don't know where it goes back at. Not off the brake booster itself but wherever it connects too. Can you help me out and also if you have a diagram can you forward it to me please. Thank You.
Jan 13, 2020 at 9:20 PM (Merged)
Avatar
HMAC300
  • CERTIFIED EXPERT
  • 48,601 POSTS
we dont' really have a diagram this is about as close to get to it. it shold be a fairly large pipe same size as hose on intake manifold.
Jan 13, 2020 at 9:20 PM (Merged)
Avatar
TRUCKIE07
  • MEMBER
  • 1 POST
need an engine vacuum line diagram for a 1998 ford contour gl
Jan 13, 2020 at 9:20 PM (Merged)
Avatar
RASMATAZ
  • CERTIFIED EXPERT
  • 75,992 POSTS
Hello,

Here is the engine vacuum line diagrams for both 4 and 6 cylinder engines.

Check out the diagrams (Below)

Please let us know if you need anything else to get the problem fixed.

Cheers
Jan 13, 2020 at 9:20 PM (Merged)
Avatar
2CP-ARCHIVES
  • MEMBER
  • 4,540 POSTS
where does the brake booster vacuum line connect to the intake, mine is broke at that end and i dont know where it goes.
Jan 13, 2020 at 9:20 PM (Merged)
Avatar
CARADIODOC
  • CERTIFIED EXPERT
  • 34,306 POSTS
Look under the hood for the emissions sticker. It will show that hose. You will also have a real noticeable vacuum leak that should be easy to locate. Ford used to use a big black plastic vacuum tee in the middle of the firewall. Here is a diagram below.

Please let us know if you need anything else to get the problem fixed.

Cheers
Jan 13, 2020 at 9:20 PM (Merged)