brake lights not working

2000 DODGE INTREPID
6 CYL
Avatar
ROHAN106
  • MEMBER
  • 1 POST
2000 dodge intrepid parking lights work but all brake lights are out
Jan 24, 2011 at 4:29 PM
Advertisement
Avatar
CARADIODOC
  • CERTIFIED EXPERT
  • 34,306 POSTS
First check fuse number 20, a 20 amp yellow fuse inside the car, (I think it's on the left side of the dash. You'll see the cover after opening the door. If the fuse is good and there is voltage to it, suspect the brake light switch. The lights should turn on if you jump the pink / dark blue wire to the white / tan wire.

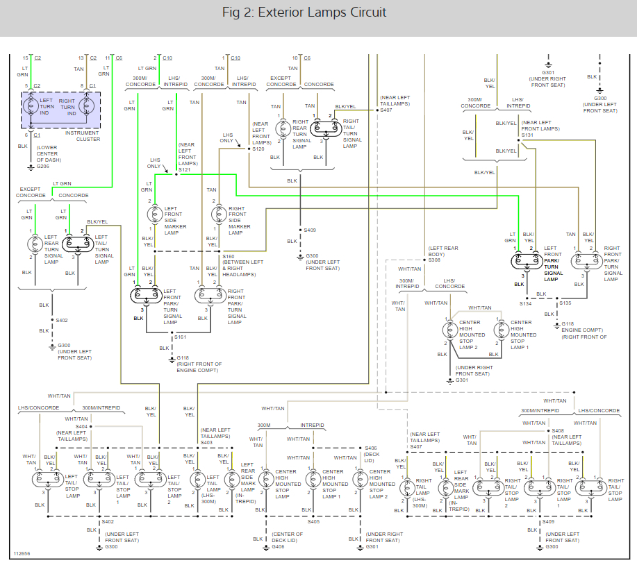
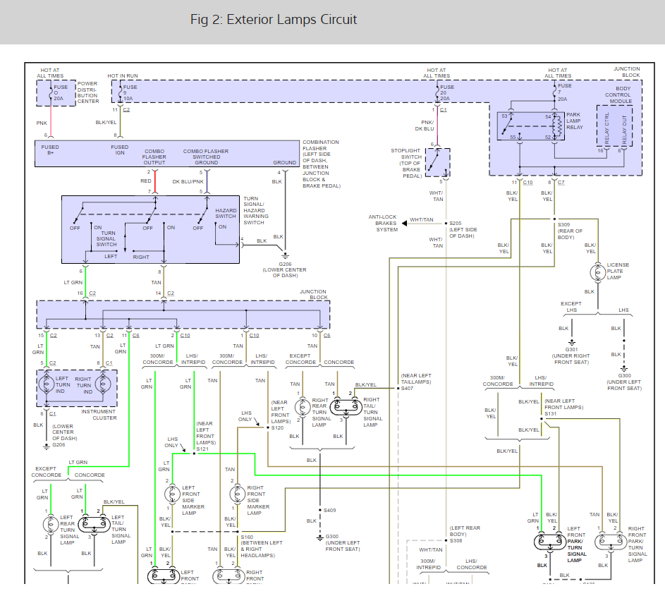
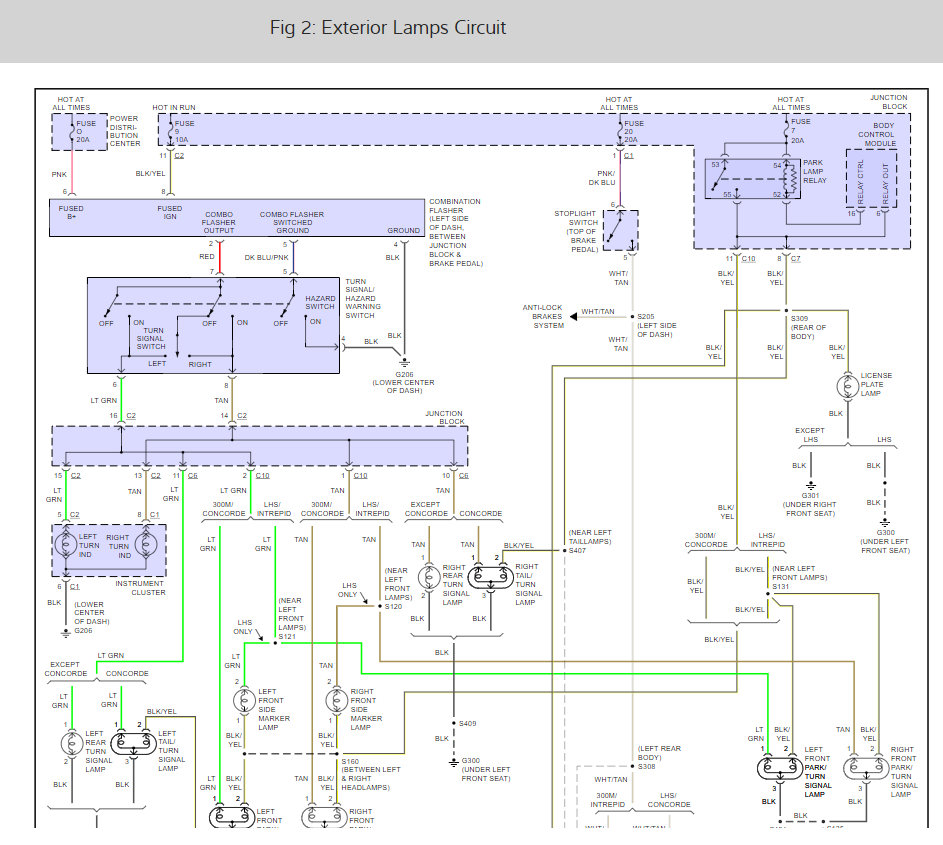
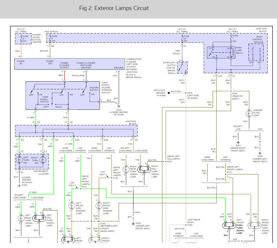
Here is the brake light wiring diagram so you can see how the system works and how to change the brake light switch.

https://www.2carpros.com/articles/how-to-use-a-test-light-circuit-tester

and

https://www.2carpros.com/articles/brake-lights-not-working

Check out the diagrams (Below)

Please let us know what you find.

caradiodoc
Jan 24, 2011 at 4:45 PM
Avatar
ROHAN106
  • MEMBER
  • 1 POST
Wow so good thanks for the help on this i followed the guides and diagrams and gave and figured out the brake light switch has bad so I replaced it bought the switch for $27.00 bucks. I feel I saved a bunch by doing it myself and 2Carpros thanks again.
Jan 28, 2011 at 4:05 PM
Advertisement
Avatar
BIGWILLYB
  • MEMBER
  • 1 POST
So my car died on me one day in the middle of driving about 40 mph. After that is Sat about everyday it would die at least once, sometimes 2-3 times a day. Then it started to die and over heat and wouldnt start . So we changed the thermostat, nothin, changed the alternator,and it got better . Now we hav an electrical problem .no break lites, no low beams. But we hav Peking lites and high beams. Car still dies, and we haveto wait about 30 mins before we can start it again. HELP!!!!
Apr 21, 2020 at 11:38 AM (Merged)
Avatar
WRENCHTECH
  • CERTIFIED EXPERT
  • 20,761 POSTS

All "crank, no start" conditions are approached in the same way. Every engine requires certain functions to be able to run. Some of these functions rely on specific components to work and some components are part of more than one function so it is important to see the whole picture to be able to conclude anything about what may have failed. Also, these functions can ONLY be tested during the failure. Any other time and they will simply test good because the problem isn't present at the moment.
If you approach this in any other way, you are merely guessing and that only serves to replace unnecessary parts and wastes money.



Every engine requires spark, fuel and compression to run. That's what we have to look for.

These are the basics that need to be tested and will give us the info required to isolate a cause.

1) Test for spark at the plug end of the wire using a spark tester. If none found, check for power supply on the + terminal of the coil with the key on.


2) Test for injector pulse using a small bulb called a noid light. If none found, check for power supply at one side of the injector with the key on.


3) Use a fuel pressure gauge to test for correct fuel pressure, also noticing if the pressure holds when key is shut off.

4) If all of these things check good, then you would need to do a complete compression test.

Once you have determined which of these functions has dropped out,
you will know which system is having the problem.

Apr 21, 2020 at 11:38 AM (Merged)