how may speakers are in the rear?

2000 DODGE DAKOTA
12,000 MILES • 5.6L • V8 • 4WD • AUTOMATIC
Avatar
COLTBRAN
  • MEMBER
  • 1 POST
how may speakers are in the rear of the club cab
Jan 24, 2015 at 4:24 AM
Advertisement
Avatar
HMAC300
  • CERTIFIED EXPERT
  • 48,601 POSTS
if it h as premium sound system then two are in back rest in doors. if not premium doors only
Jan 24, 2015 at 5:59 AM
Avatar
STRAILER
  • CERTIFIED EXPERT
  • 53,854 POSTS
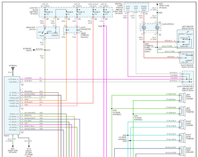
the sounds system has 6 speakers, 4 in the doors and 2 in the rear of the truck, here is the radio wiring diagrams so you can see how the system works and where the speakers are. Check out the images (below). Let us know if you need anything else.
Sep 19, 2024 at 3:38 PM
Advertisement