2000 DODGE CARAVAN
175,000 MILES
Avatar
ANONYMOUS
  • MEMBER
  • 1 POST
My brake lights are not working. well two out of three are not working. The one in the rear window is working. But the two in the rear lighting housing are not working. The other lights in the rear are working (runing,turning & hazzerd)just fine. I have replace the bulbs, the fuses & the brake peddie swich. But the two lower brake lights still don't work. Need help!!! If anyone can help or have info that mite help me out??? Thank you..
Jan 24, 2013 at 4:52 PM
Advertisement
Avatar
JDL
  • CERTIFIED EXPERT
  • 16,098 POSTS
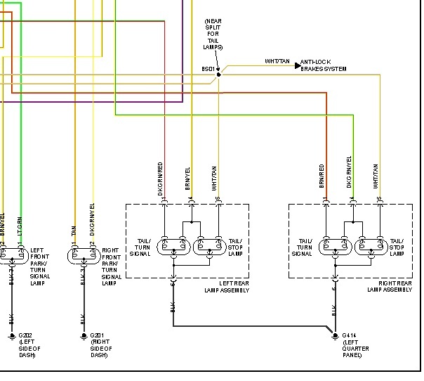
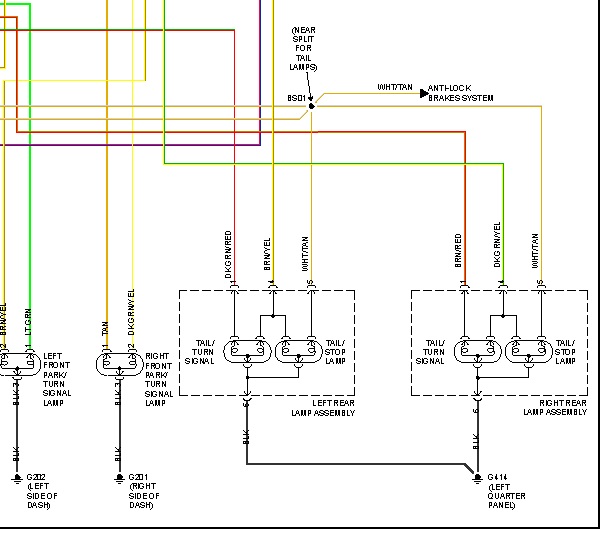
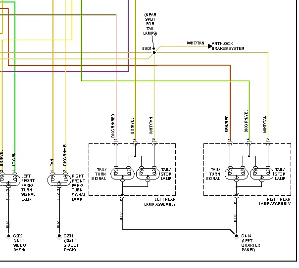
At your lower brake lamps, did you check for voltage? With the brake switch activated, the white wire with tan tracer is voltage for lower brake lamps. In the diagram, see the splice bs01, you know you have voltage to that point because one of the legs off that splice goes to the high-mount brake lite.

The info I looked at was without trailer lamps.
Nov 18, 2017 at 8:03 PM