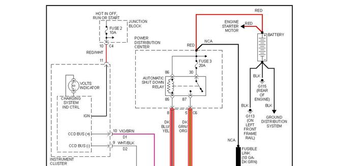
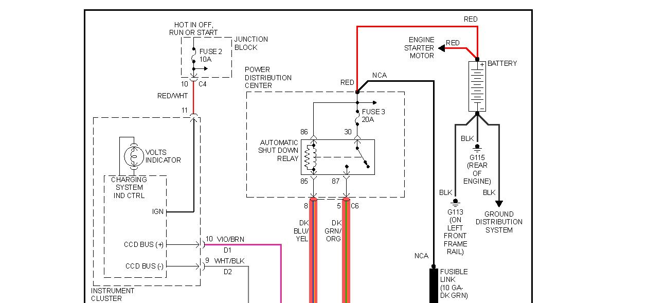
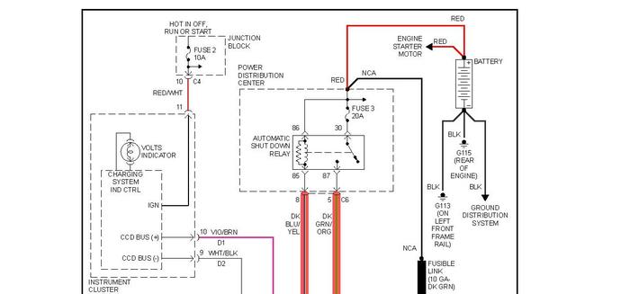
Automatic Shutdown Relay

2000 DODGE CARAVAN
185,000 MILES • 6 CYL • FWD • AUTOMATIC
Avatar
LETMECH
  • MEMBER
  • 15 POSTS
2000 Dodge Caravan - What is the normal operation of the Automatic Shutdown Relay? I believe I have a bad alternator and the van ran on the battery. I have charged the battery (have not bench tested it) and the van wouldn't start. Once the key was turned, the ASR continuously chatters. In HVAC, a chattering relay needs to be replaced. Is that the case here? This chattering has a steady rhythm, not intermittent, which makes me wonder if it's performing it's function.
Mar 14, 2011 at 12:56 AM
Advertisement
Avatar
CARADIODOC
  • CERTIFIED EXPERT
  • 34,306 POSTS
If it's chattering with just the ignition switch turned on, the battery voltage is too low. That relay turns on for one second after turning on the ignition switch, then again during engine rotation, (cranking or running). Pulses from the crankshaft and camshaft position sensors tells the Engine Computer to turn on the ASD relay which sends voltage to the ignition coil, injectors, fuel pump or pump relay, alternator field, and oxygen sensor heaters.
Mar 14, 2011 at 1:06 AM
Avatar
RASMATAZ
  • CERTIFIED EXPERT
  • 75,992 POSTS
ASD relay and computer plays a role on the charging system-See below

Mar 14, 2011 at 1:09 AM
Advertisement
Avatar
LETMECH
  • MEMBER
  • 15 POSTS
Wow Caradiodoc! You're on here a lot! Thanks. I have to admit, some of your last advice might be over my head. Plus, I haven't been able to get it started. My mech. buddy was out of town for the weekend. I'm trying to be sure the alternator is bad by getting the van started and then taking off the neg. connector. I've read that this is an easter egg way to determine if it is bad. I will jump start the van tomorrow. I suppose the battery may be bad but I am on a limited budget to get this van going. I found a guy who will rebuilt the alternator for $20-50. I would imagine he will have a battery tester.
Mar 14, 2011 at 1:18 AM
Avatar
CARADIODOC
  • CERTIFIED EXPERT
  • 34,306 POSTS
Thanks for the kind words. Please do not remove the battery cable while the engine is running. The potential exists to damage a lot of computer modules from excessive voltage. That trick worked years ago with breaker point ignition systems. Your HVAC comment made me think you know more about electrical than the average do-it-yourselfer. If that's wrong, I can make it more understandable. Basically, once the engine is running, use an inexpensive digital voltmeter to measure battery voltage on the 20 volt DC scale. You should find between 13.75 to 14.75 volts. If it is low, around 12.0 to 12.6 volts, the alternator is not working. We'll cross that bridge when we get that far. A few simple tests will determine if it has the most common problem, worn brushes. Those can be replaced relatively easily. I never replaced them on a '96 or newer Caravan but I did that a lot on older donated ones to put "bugs" in for my students to troubleshoot. On those it can be done without removing the alternator from the engine. I can post pictures too if it comes to that.
Mar 14, 2011 at 1:33 AM
Avatar
LETMECH
  • MEMBER
  • 15 POSTS
Okay. I will leave the post on. When you say to check for voltage, can this be done at the battery posts, or do I need to take the measurement at the alternator connections? As far as replacing the brushes, I'm comfortable paying for that. This guy comes recommended from a good friend of mine. The alternator looks easy to access. I do have a good background for electrical but when it's in a automotive app, I'm a little lost. I have very little experience digging into autos. I'm getting my hands a little dirty in it now though.
Mar 14, 2011 at 1:52 AM
Avatar
CARADIODOC
  • CERTIFIED EXPERT
  • 34,306 POSTS
Yup, you can measure right on the battery posts. If it is acceptable there will be no need to check further unless it is an intermittent problem. The output terminal on the alternator will have the same voltage unless a large value bolt-in fuse is blown in the under-hood fuse box. If the voltage is low, the circuit can be divided in half by measuring at the two small terminals or wires on the back of the alternator. One will have full battery voltage while the engine is running. The secret is the other one. It must have less voltage but not 0 volts. 0 volts means there is an open circuit between the brushes. The exact same voltage on both terminals means the voltage regulator circuit inside the Engine Computer is open or the wire to it is broken.
Mar 14, 2011 at 2:11 AM
Avatar
LETMECH
  • MEMBER
  • 15 POSTS
Awesome! That gives me a few things to look into. Sounds similar to checking a compressor. Curious...What would the output of the voltage regulator be? I have had problems with brake/tail light bulbs for a while. I would imagine the signals and other lights are run off regulated voltage. Could I measure the voltage and/or current at the tail light socket to determine if I have a problem with the voltage regulator? Or at least if there is an irregular supply to the bulbs?
Mar 14, 2011 at 2:27 AM
Avatar
CARADIODOC
  • CERTIFIED EXPERT
  • 34,306 POSTS
Here's the deal. The regulator doesn't actually have an output as such. Current flows from the ASD relay to one of the brushes on the back of the alternator, through the rotating field winding, out the other brush, to the regulator in the Engine Computer, then to ground and back to the battery. A magnetic field is formed around the field winding. Three things are needed to generate the output voltage. Those are a coil of wire, magnet, and movement between the two. The field winding is the electromagnet. The movement comes from spinning it with the belt. The only practical way to control the output voltage is to strengthen or weaken the electromagnet. THAT is the purpose of the voltage regulator. At a maximum there will be around three amps of current flow through the field. Think of the regulator as nothing more than a variable resistance in series with the field winding. Under most common situations the regulator reduces field current to around one amp. A wire ties battery voltage to the regulator so it can measure system voltage. The regulator's resistance varies continuously so the alternator's output voltage stays between 13.75 and 14.75 volts. That means battery voltage during charging, alternator output voltage, and system voltage are all the same. That's the same voltage that you will find at light sockets and motors.
Mar 14, 2011 at 4:12 AM