It does nothing it will not crank over?

2000 CHRYSLER TOWN AND COUNTRY
207,000 MILES • FWD • AUTOMATIC
Avatar
BLOCKS36
  • MEMBER
  • 3 POSTS
2000 Chrysler town & country when it sits in the sun or its hot outside it will not start
Jul 27, 2011 at 6:39 PM
Advertisement
Avatar
JDL
  • CERTIFIED EXPERT
  • 16,098 POSTS
Are you saying, it won't even crank or it cranks good, but won't start? This guide can help us fix it

https://www.2carpros.com/articles/starter-not-working-repair

Please run down this guide and report back.
Jul 27, 2011 at 6:47 PM
Avatar
BLOCKS36
  • MEMBER
  • 3 POSTS
it does nothing it will not crank even. friday we replaced the starter and then last night we replaced the ignition switch
Jul 27, 2011 at 7:03 PM
Advertisement
Avatar
JDL
  • CERTIFIED EXPERT
  • 16,098 POSTS
Did you have the old starter tested? Some of the national brand automotive stores will test the starter for you. Battery has a full charge and connections clean and tight? Did you try cranking in neutral, when problem occurs? Do you have any security lites flashing or anything?

You could use a remote starter button, that connects to starter solenoid. Make sure tranny is in park or neutral and a functional e-brake is set. If the tool is hooked up correctly and you hit the button, it should crank. As long as battery--voltage and grounds are good. You have to test when problem is ongoing.
Jul 27, 2011 at 8:10 PM
Avatar
BLOCKS36
  • MEMBER
  • 3 POSTS
there are no lights flashing for the security system the connections on the battery are tight and clean.
Jul 27, 2011 at 8:18 PM
Avatar
JDL
  • CERTIFIED EXPERT
  • 16,098 POSTS
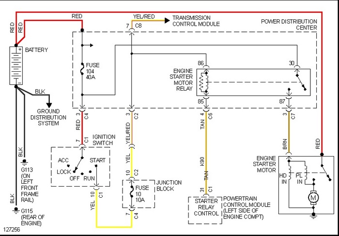
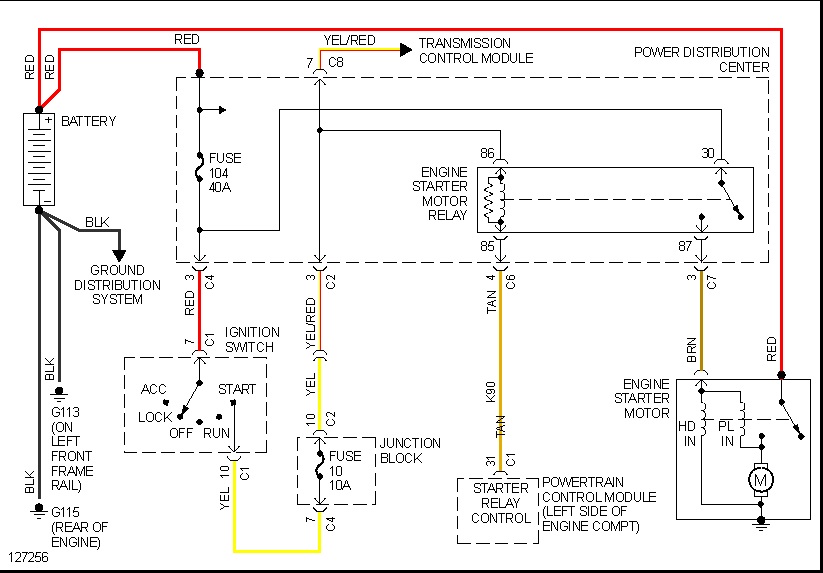
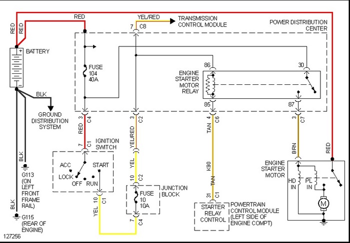
Do you see the brown wire at the starter motor, in the diagram, use a voltage tester, should be hot with key in the crank position. Let us know.

At the starter relay, if you unplug the relay, use jumper wire between terminal 30 and 87, note the diagram, the starter should crank. Make sure tranny is in park or neutral and the e-brake is set. You need to do a little testing.
Jul 27, 2011 at 8:25 PM