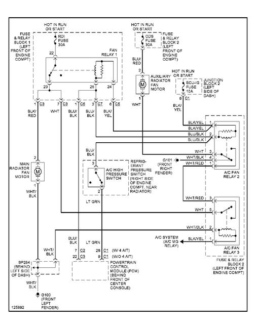
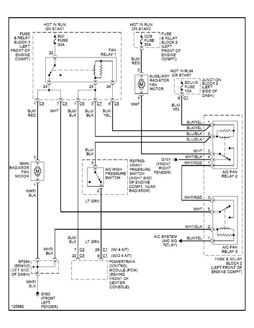
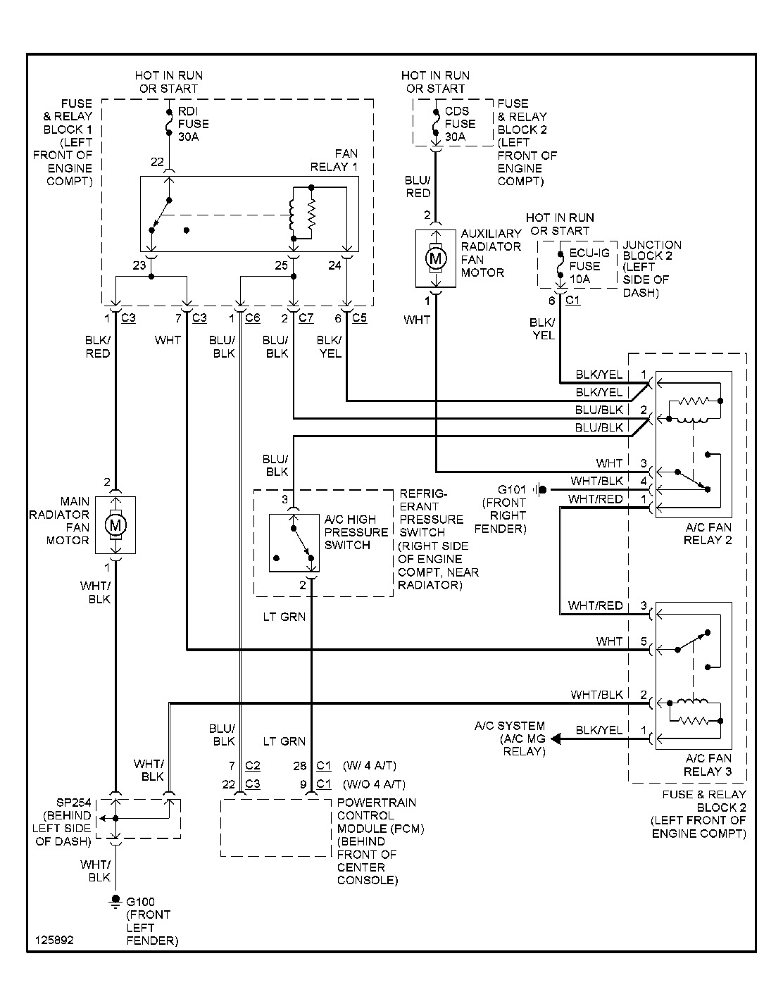
Where can I locate the relay for the cooling fans... I replaced three relays already they were ... Fan 1. , fan 2 , and fan 3 ... But was told there is another one up around the radiator area..... No engine check light came on ,, just started getting hot that's when I noticed fan were not clicking on
Aug 12, 2013 at 8:21 PM

