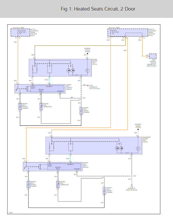
I have a pair of 2004 chevy impala leather heated/power seats that i recently put into my 2000 monte carlo. The driver side wire harness from under the carpet in the monte plugs in and works fine with the driver side impala seat but the passenger side does not have a harness from the car to plug into. So, my question is, how can i go about wiring up the passenger impala seat so it works? Could i just tap into the driver side wires and run wires to the passenger side? The wire harness colors are:
Impala driver seat harness: 1 big orange, 2 small orange, 1 big black, 1 small black with white line
Impala passenger seat harness: 1 big orange, 1 big black, 1 small orange, 1 small orange with black line
Monte Carlo harness that comes from under the carpet has: 1 big orange, 1 small orange with black line, 1 big black, 1 small black with white line, small teal blue, small pink
Any help or diagrams of what these wires are would be much appreciated!
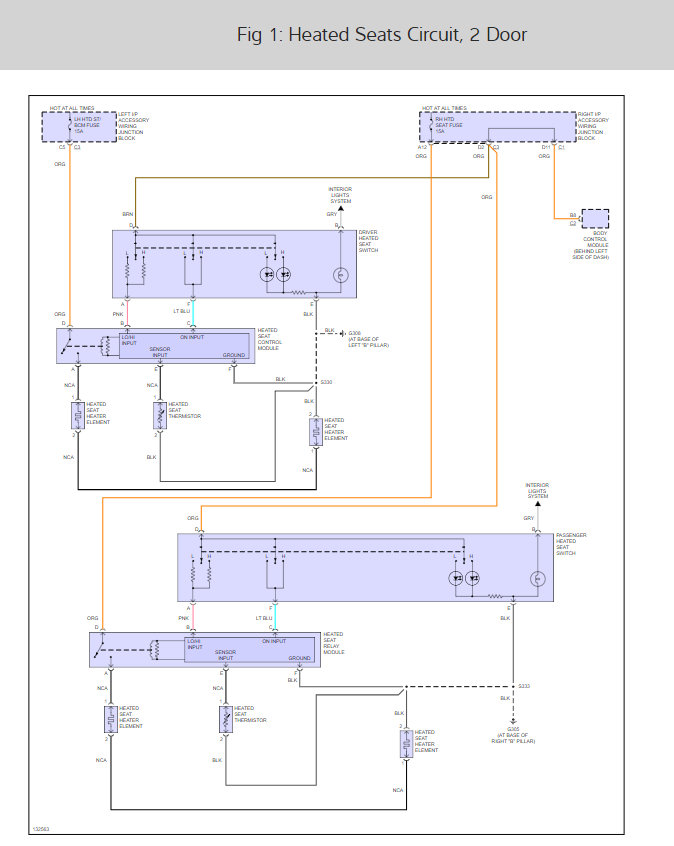
Impala driver seat harness: 1 big orange, 2 small orange, 1 big black, 1 small black with white line
Impala passenger seat harness: 1 big orange, 1 big black, 1 small orange, 1 small orange with black line
Monte Carlo harness that comes from under the carpet has: 1 big orange, 1 small orange with black line, 1 big black, 1 small black with white line, small teal blue, small pink
Any help or diagrams of what these wires are would be much appreciated!
Feb 8, 2014 at 12:31 PM

