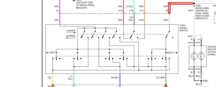
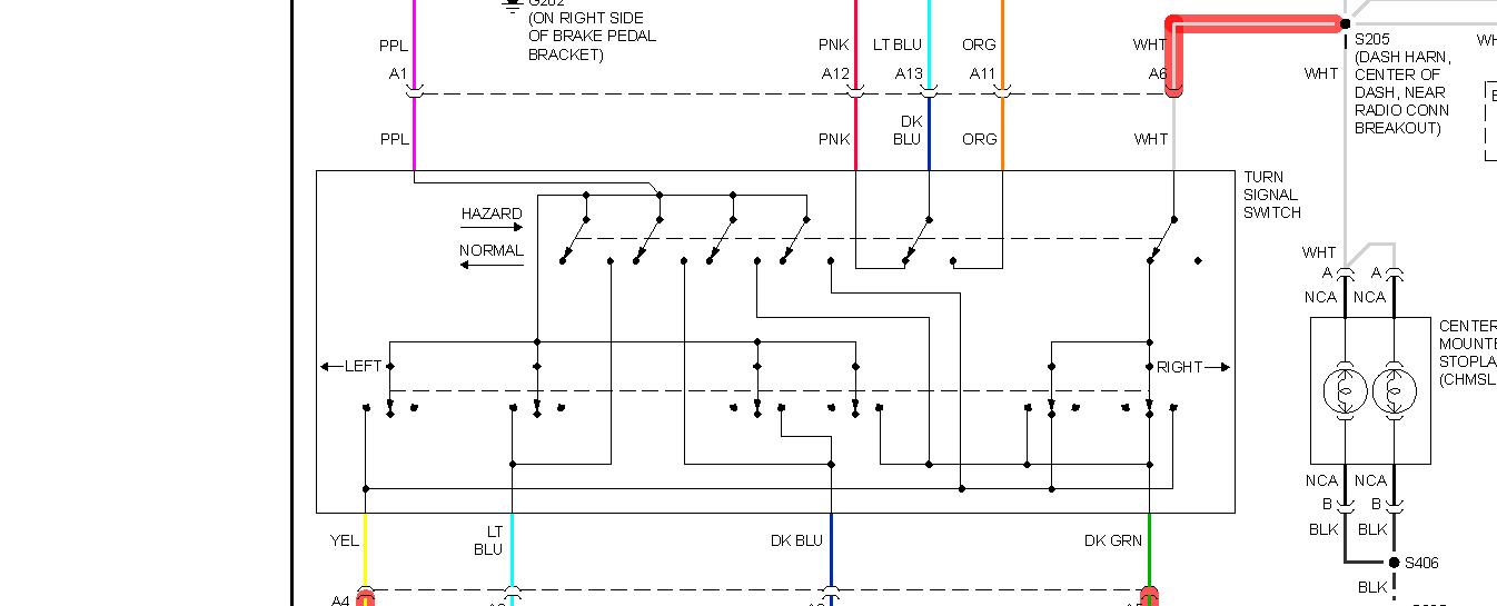
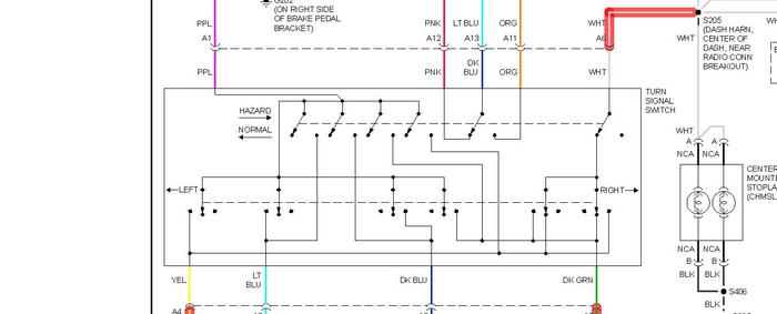
First no light s were working. Had a guy work on it and got all my lights working except the break lights. My middle light worked. He said the middle light was on a different conection, and that I needed a break light switch. So I got one, and it break lights still don't work. I've had 2 people check to make sure switch was installed properly and needed no adjustment...course..checed all bulbs and fuses. Any help or advise would be grealy appreciated.
Thanks
Scott
Thanks
Scott
Feb 6, 2011 at 7:12 AM
