RAP CIRCUIT BREAKER

2000 CHEVROLET IMPALA
Avatar
BRYANTB
  • MEMBER
  • 2 POSTS
Where is the Retained Accessory Pwr Breaker 30a located on this vehicle
Dec 13, 2011 at 9:14 PM
Advertisement
Avatar
RASMATAZ
  • CERTIFIED EXPERT
  • 75,992 POSTS
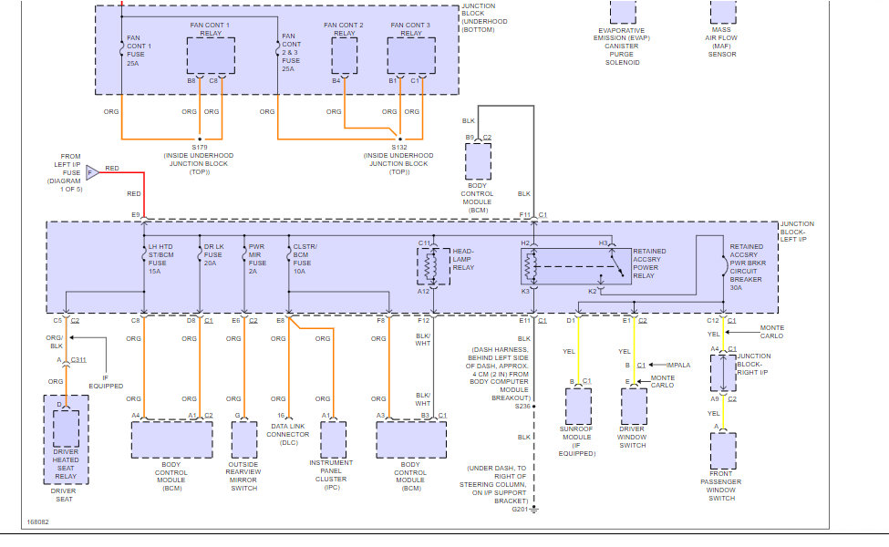
LH I/P accessory wiring junction block.
IP Accessory Wiring Junction Block (LH)

LH side of the instrument panel, in the left front door opening

Retained Accessory Power (RAP) Relay On top side of left instrument panel fuse block.

Here is a guide to test the relay

https://www.2carpros.com/articles/how-to-check-an-electrical-relay-and-wiring-control-circuit

(See below)
Dec 13, 2011 at 9:28 PM
Avatar
BRYANTB
  • MEMBER
  • 2 POSTS
Is it hard to get too, is it visible?
Dec 13, 2011 at 9:34 PM
Advertisement
Avatar
FACTORYJACK
  • CERTIFIED EXPERT
  • 4,159 POSTS
The relay should be visible may need removal of the dash end cap.
Dec 13, 2011 at 10:12 PM
Avatar
CBJR71
  • MEMBER
  • 7 POSTS
The question is for the location of the breaker not the relay. The image posted shows the location of each but, there is no RAP breaker OR headlamp relay at that location. I can't find anything that explains this discrepancy.
Nov 7, 2018 at 8:37 AM
Avatar
STRAILER
  • CERTIFIED EXPERT
  • 53,854 POSTS
Do you have a production date for you car? It sounds like it could be a mid year change which I can try to find for you.
Nov 9, 2018 at 12:36 PM
Avatar
CBJR71
  • MEMBER
  • 7 POSTS
04 LS production date of 09/03. The area that the image shows as having the RAP breaker and headlamp relay is actually the bulkhead connector for the fuse panel and there is nothing inside that connector. Also, when I take out the RAP relay, the accessories still work as normal - except my none of my windows which is why I'm trying to understand where all these components are.
Nov 9, 2018 at 12:47 PM
Avatar
STRAILER
  • CERTIFIED EXPERT
  • 53,854 POSTS
So the bottom line is you need to windows to work? Here is the wiring and location for the power windows and the circuit breaker and relay for a 2003 looks the same. Drivers side fuse panel right?
Nov 10, 2018 at 9:45 AM
Avatar
CBJR71
  • MEMBER
  • 7 POSTS
The windows not working is the problem that I am having. That is not the question that was initially posed and the question that I have. The initial question is,"Where is the Retained Accessory Pwr Breaker 30a located on this vehicle". Not the relay, but the Power Breaker. Despite the image of the fuse panel, which I have on the fuse panel cover, my problem is still the same : There is no RAP power breaker or headlamp relay at the location shown.
Nov 10, 2018 at 1:34 PM
Avatar
STRAILER
  • CERTIFIED EXPERT
  • 53,854 POSTS
On the driver's side fuse panel. Can you please load an image so I can see?
Nov 12, 2018 at 9:34 AM
Avatar
CBJR71
  • MEMBER
  • 7 POSTS
I figured out that the RAP Power Breaker is inside the relay. The image that was posted earlier in this thread showing the Power Breaker and headlamp relay are "Inside devices" it means that those two are "inside" the relay.
Nov 12, 2018 at 11:30 AM
Avatar
STRAILER
  • CERTIFIED EXPERT
  • 53,854 POSTS
Good find!. So is the problem fixed?
Nov 13, 2018 at 10:27 AM
Avatar
CBJR71
  • MEMBER
  • 7 POSTS
No. I am not getting power to the switch but the relay/breaker is working. There must be an issue with the power wire between then relay/breaker and the switch.
Nov 13, 2018 at 3:57 PM
Avatar
STRAILER
  • CERTIFIED EXPERT
  • 53,854 POSTS
If you jump power to the yellow wire of the switch does the system start working?
Nov 14, 2018 at 10:11 AM
Avatar
CBJR71
  • MEMBER
  • 7 POSTS
I have not been able to do any more diagnostics yet as it has become brutally cold here. I will updated when I can get to it and not lose feelings in my fingers.
Nov 14, 2018 at 10:48 AM
Avatar
STRAILER
  • CERTIFIED EXPERT
  • 53,854 POSTS
Bummer, hope it warms enough to see, let us know what happens.
Nov 15, 2018 at 10:05 AM
Avatar
CBJR71
  • MEMBER
  • 7 POSTS
A broken wire in the door jamb plus two other wires that were in the process of breaking. GM did not bundle the thick mess together allowing each wire to flex a lot causing the breaks.
Nov 17, 2018 at 10:32 AM
Avatar
STRAILER
  • CERTIFIED EXPERT
  • 53,854 POSTS
Glad you could get it fixed, that kind of problem can be tough. Please use 2CarPros anytime we are here to help.

Cheers, Ken
Nov 19, 2018 at 10:56 AM
Avatar
ANGELCLARK3788
  • MEMBER
  • 5 POSTS
The problem im having is when I leave the Rap that all the wires run to plugged in my car will not turn over and all of my gages like gas, PRND, and speedo quit working. But once I unscrew that with a 7mm socket my car starts and all my gages work but then my left side speakers, and all my windows quit working. I dont know whats going on with it. Can someone help me. I have a 2005 Chevy Impala LS with 3800.
Apr 27, 2023 at 11:29 AM
Avatar
AL514
  • CERTIFIED EXPERT
  • 5,465 POSTS
Hello angelclark3788, you will have to start a new question post for this. Then it will get responded to. Right now, it has being filtered out. So, start a new post and someone will respond. Thank you
Apr 27, 2023 at 2:46 PM