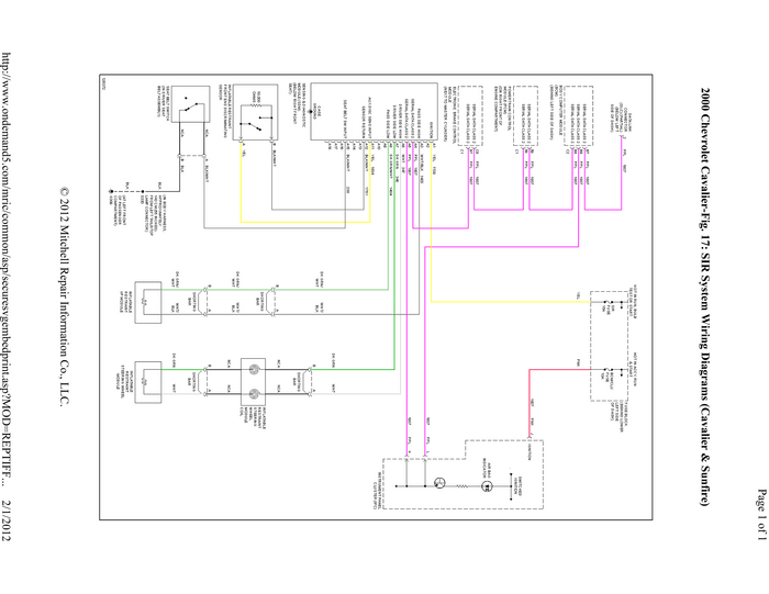
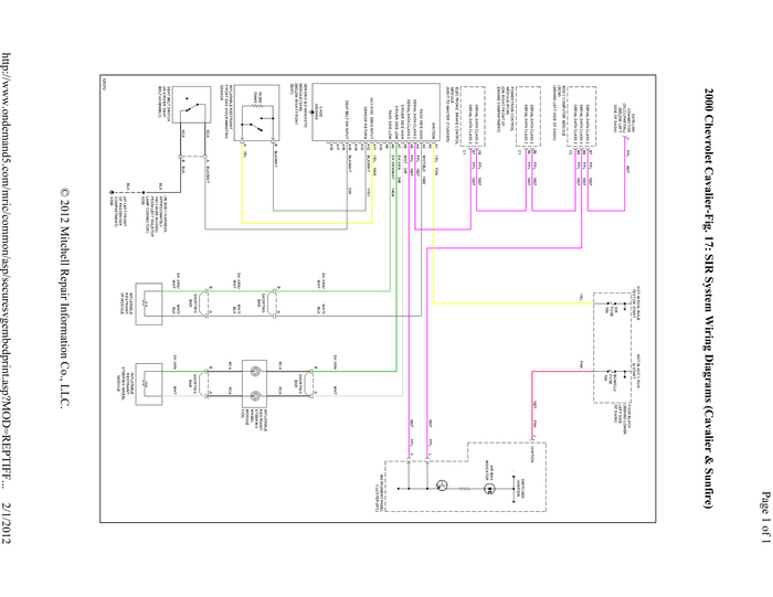
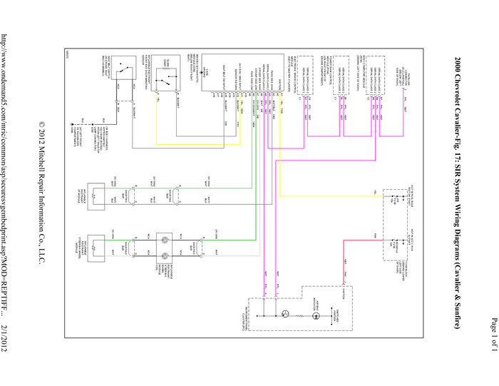
cavalier airbags

2000 CHEVROLET CAVALIER
68,900 MILES
Avatar
BAT KID
  • MEMBER
  • 40 POSTS
hi i have a 2000 cavalier 2.2L and im replacing the air bags in it. i understand how to do it and where the module and sensor is but do i have to replace the airbag module or can i just get it reset? also would i have to replace the front end sensor?
Feb 1, 2012 at 9:25 PM
Advertisement
Avatar
RIVERMIKERAT
  • CERTIFIED EXPERT
  • 6,110 POSTS
Only replace parts that have failed. You need to check the sensor output. If it is giving the air bag controller 3.65 volts or more, it should be replaced.

If the controller won't reset, then it should be replaced.
Feb 1, 2012 at 9:43 PM