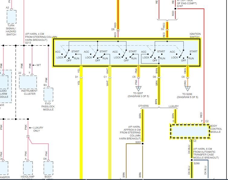
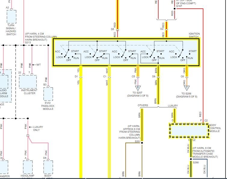
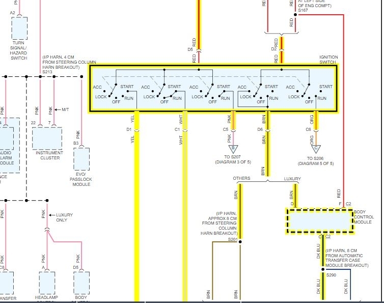
I need help with installing a push start stop rfid system in my vehicle listed above. this is what I got so far: yellow with yellow for start, pink and white for ignition 1,white and brown for on 2,brown. And orange and blue for Acc,and there are 3 thin wires from the ignition switch black,black/white and tan/white. where do these wires go and what do they do? please and thank you.
Apr 20, 2020 at 1:05 PM








