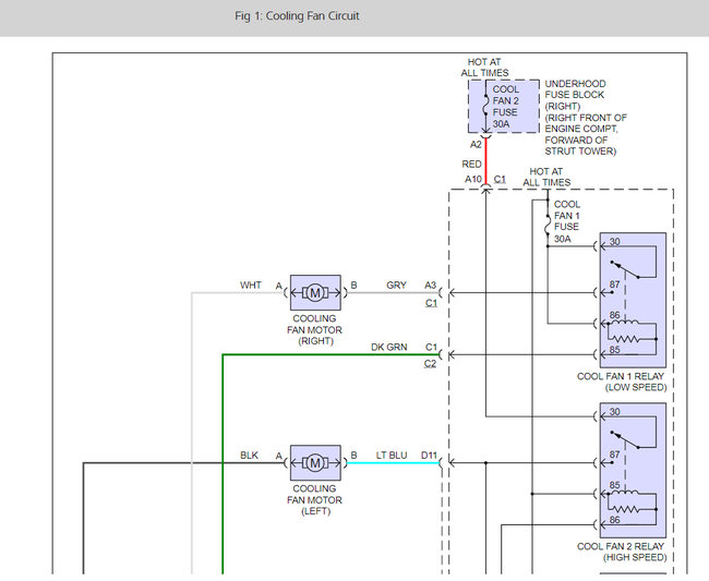
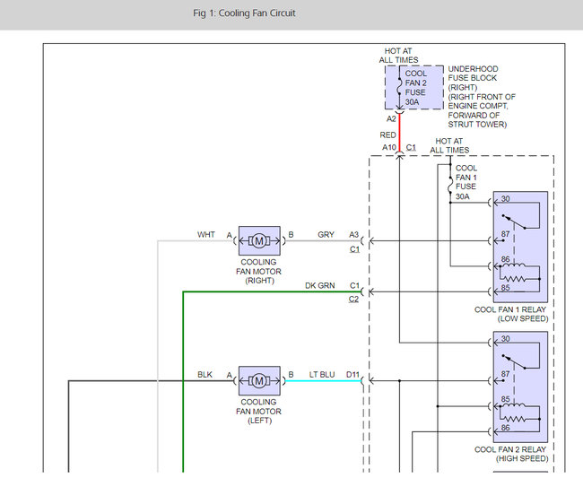
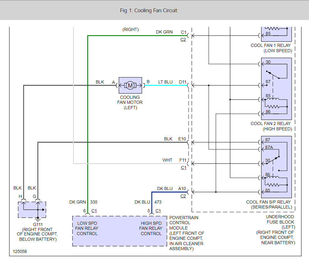
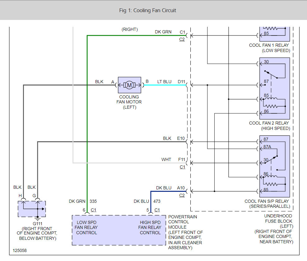
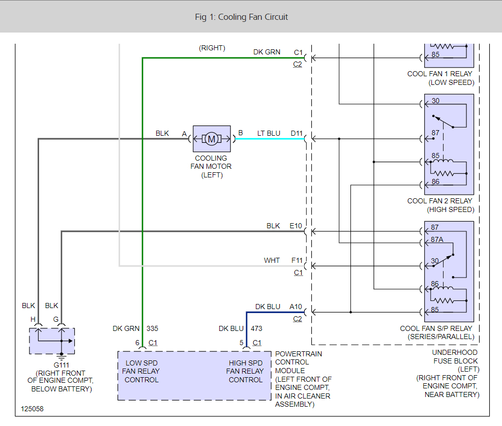
i have a 2000 buick park avenue in mint condition problem the cooling fans wont come on relays are good could u tell me something else it could be?
Aug 25, 2012 at 3:40 PM










