Why aren't my 2000 BMW 323i dash instruments working,Tach.,speedometer or fuel guage?

2000 BMW 323
90,000 MILES
Avatar
RICKJ
  • MEMBER
  • 1 POST
none or these dash gauges register or read. Happened suddenly.
Cruise control does operate.
Jan 9, 2012 at 11:25 PM
Advertisement
Avatar
DRCRANKNWRENCH
  • CERTIFIED EXPERT
  • 3,380 POSTS
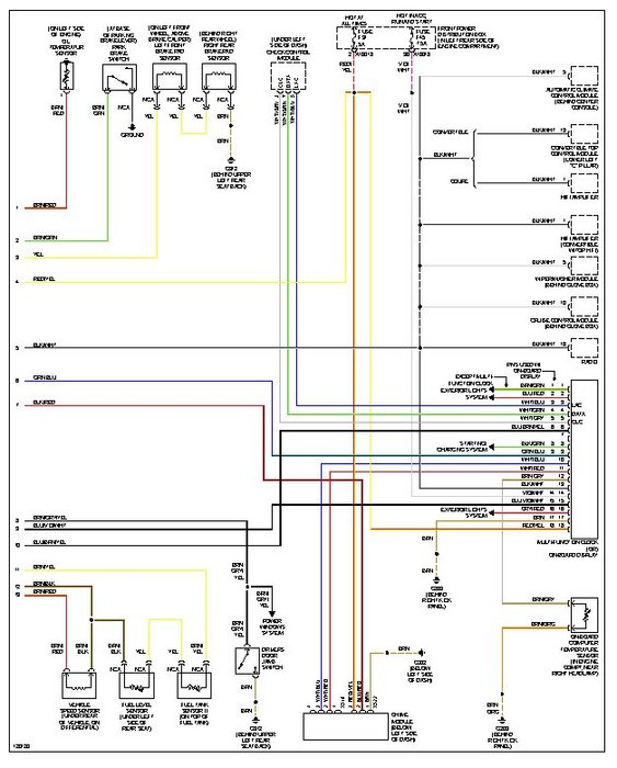
You probably have a connector that has come loose that is one of the major multi-terminal connectors of the panel. Double check all fuses to elimnate them as being part of the issue at all. There is a diagram on the back of the fuse panel inside the car and the under-hood panel. The diagram is on the back of the panel cover and will give a brief desription of th efuses orientation and what they are for.
There are connectors that go into the back of the cluser that you need to get to so you can wiggle them around and see if that has any affect. You will have to remove some panels on the dash to get to the wiring harness and some of the loser panels on the dash as you will be going up under it to trace the harness. You may have to in the end, remove the entire instrument cluster to get at the connector that is causing the problem. This will be the only way to re-connect it.
I am giving you the wiring diagrams for the instrument panel so you can trace wires and their functions to make finding the harness that is the connector for the instruments. This may be difficult as most harness wires are covered in a sheath and/or electrical tape and you have to remove some to see which wires are running in the harness. You can of course figure out the most likely harness wire bunch by looking at what goes towards the panel. You may find that the diagrams help you find something that can affect the entire panel. Check all the grounds for the panel as they will have a showt descritpion of their location on the diagrams. They should have a good tight fit that is corrosion free and metal to metal.
You may also have a PCM or control module issue which is identified int the wiring diagrams as well. The PCM that controls the instruments may have failed and is keeping the panel from working.

Ther eare 2 digrams labeled, 1of2 and 2of2. They can be laid out with the 1 on the left and the second on the right so the wired mathc up to give you a look at the entire circuit and you can look at reasons and other circuits that may keep the panel from working.
Let me knwo if you need anything else.
Jan 11, 2012 at 1:56 AM