It depends which engine you have fitted.whichever it is remember to disconnect the battery before beginning. After that there should be one large wire connected with a nut (13mm/12" socket) , and one smaller push on connector. Then remove the securing bolts and out it should come.
Jan 10, 2012 at 6:09 PM
DRCRANKNWRENCH
CERTIFIED EXPERT
3,380 POSTS
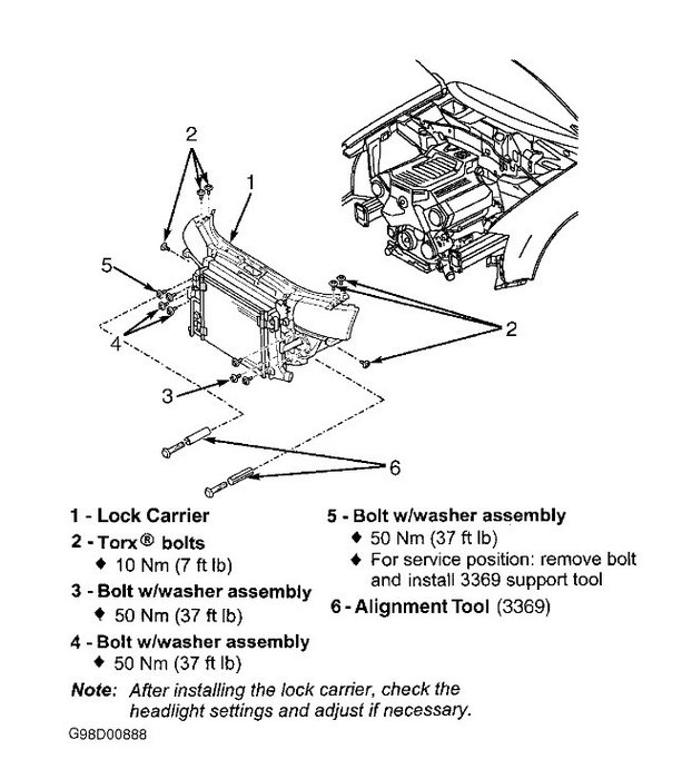
I am attaching removal instructions and the figures, FIG, referred to in them