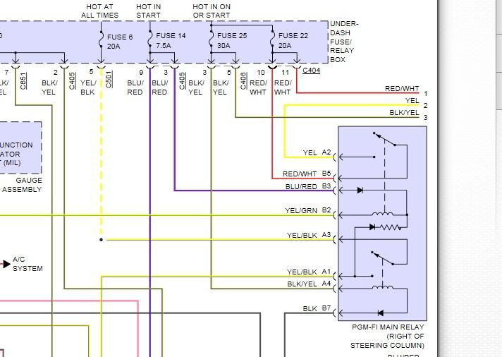
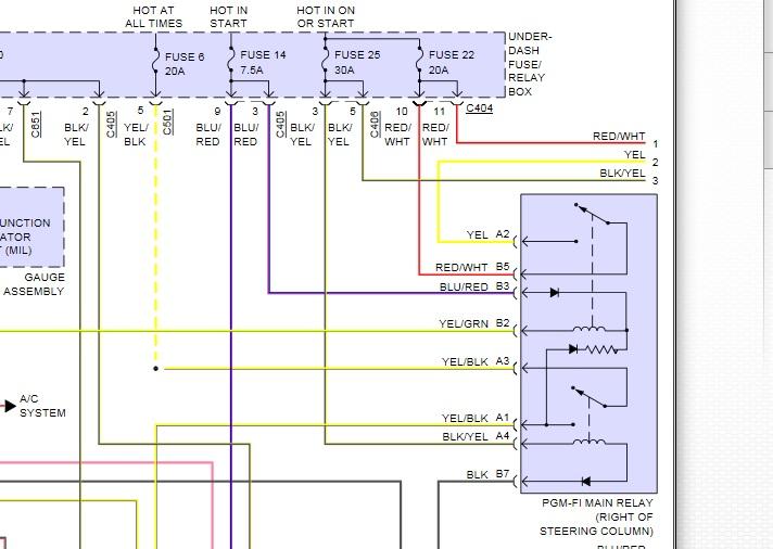
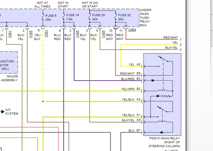
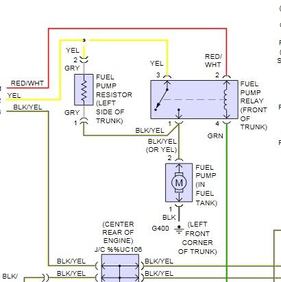
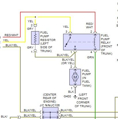
my car wont start, even after replacing the fuel pump and strainer, it still wont work. no electricity is getting back to the fuel pump. can you tell me what to do or where to look? Im getting a manual today and hopefully that will help me, but honestly I don't want to have to replace anything else on this car.
Apr 14, 2014 at 10:46 AM

