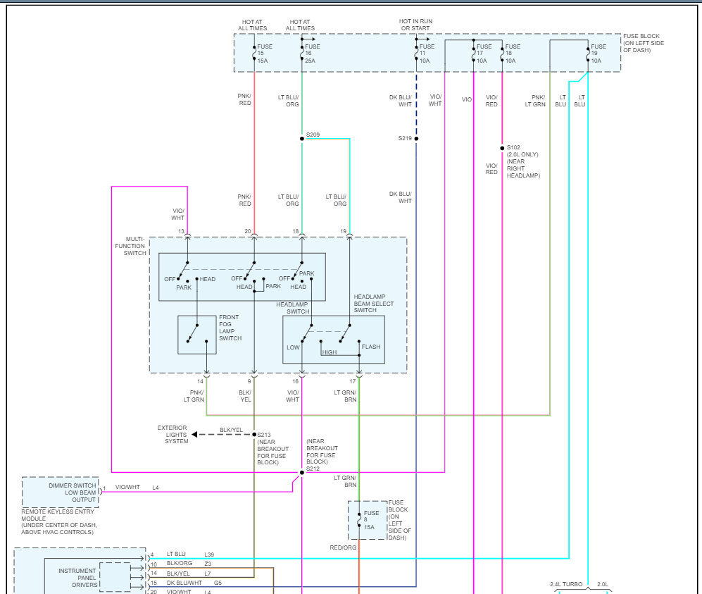
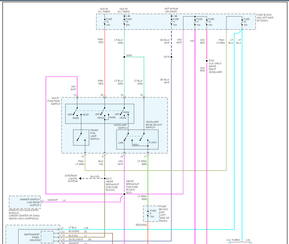
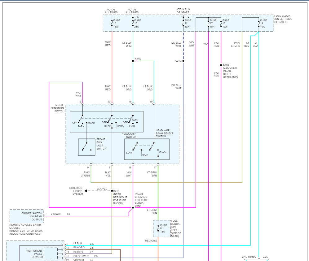
I was hoping you could find a 20 Way Multifunction Switch Diagram for the car listed above SXT. I was trying for a long time, but I couldn't find any for my specific model, I found one for a Dodge Durango and tried using it, but I think I may have broken the whole thing. If you would like to help with the full thing, I asked another question but it's like a whole essay of words, most of them explaining what exactly happened and how it was before.
Aug 23, 2023 at 5:24 PM



