Turbo, intercooler and vacuum pump were not working?

2008 MAZDA 6
200,000 MILES • 2.0L • 4 CYL • TURBO • 2WD • MANUAL
Avatar
TONI KUKKE
  • MEMBER
  • 20 POSTS
Hey.

I had a problem with power, turned out that turbo, intercooler and vacuum pump were not working.

I bought all new parts and replaced them, but the power didn't come back. Diagnostics also showed no fault codes. We even looked for vacuum leaks but all hoses are in good condition. If i make restart for car by disconnecting battery and then connect again then the power comes back but only for 200 meter and then turbo like almost stop's working.

2.0 103kw TDI 2008

Can you help me with this problem?
Thanks Toni.
Sep 7, 2022 at 6:47 AM
Advertisement
Avatar
STRAILER
  • CERTIFIED EXPERT
  • 53,854 POSTS
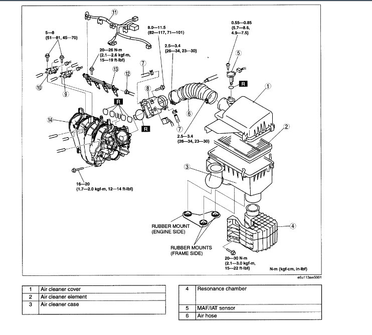
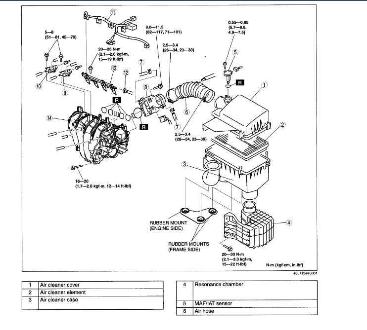
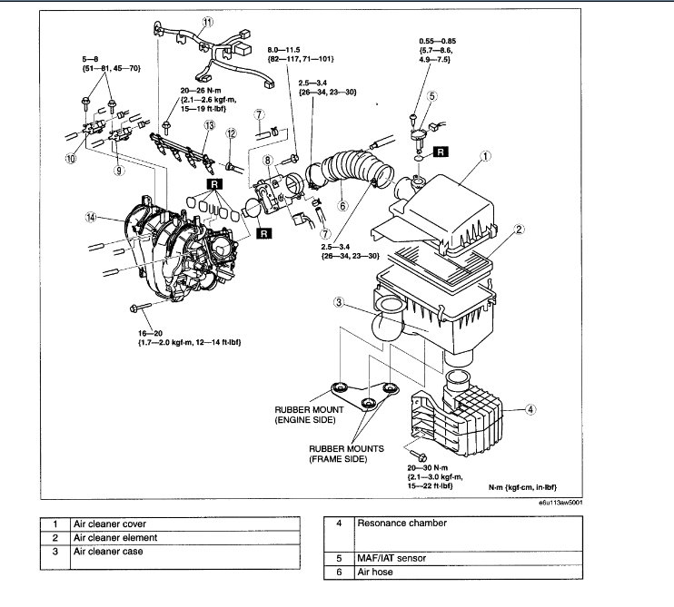
It sounds like the engine is going into limp mode this can be caused by the throttle body is dirty and is in need of service. This generic guide can help you see that you are in for when doing the job and I have included the instructions for your car in the diagrams below.

https://www.2carpros.com/articles/throttle-actuator-service

Check out the diagrams (below). Please let us know what happens.

Sep 7, 2022 at 10:51 AM
Avatar
TONI KUKKE
  • MEMBER
  • 20 POSTS
Thank you for your reply but the throttle body was cleaned also when i changed those, parts.
Sep 7, 2022 at 12:10 PM
Advertisement
Avatar
STRAILER
  • CERTIFIED EXPERT
  • 53,854 POSTS
It sounds like you may have a clogged exhaust system, I would disconnect the system right after the turbo to see if it runs any better.
Sep 8, 2022 at 9:29 AM
Avatar
TONI KUKKE
  • MEMBER
  • 20 POSTS
Forgot to tell that the DPF was clogged and it was removed by the dealership and then re-coded.
Sep 8, 2022 at 9:50 AM