☰
Login
Join
×
Home
Answered Questions
Repair Topics
Repair & Service Guides
Popular Questions
Warning Lights
Trouble Codes
How It Works
Testing / Diagnostics
Symptoms
Videos
Login
Become a Member
Home
Ford
Freestar
Drivetrain
Transmission
Shift Solenoid
Location
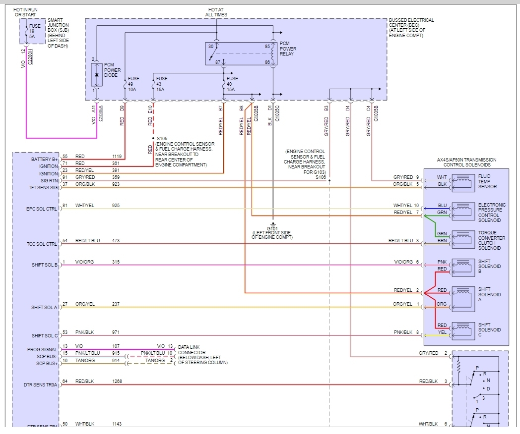
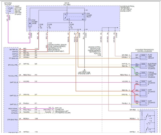
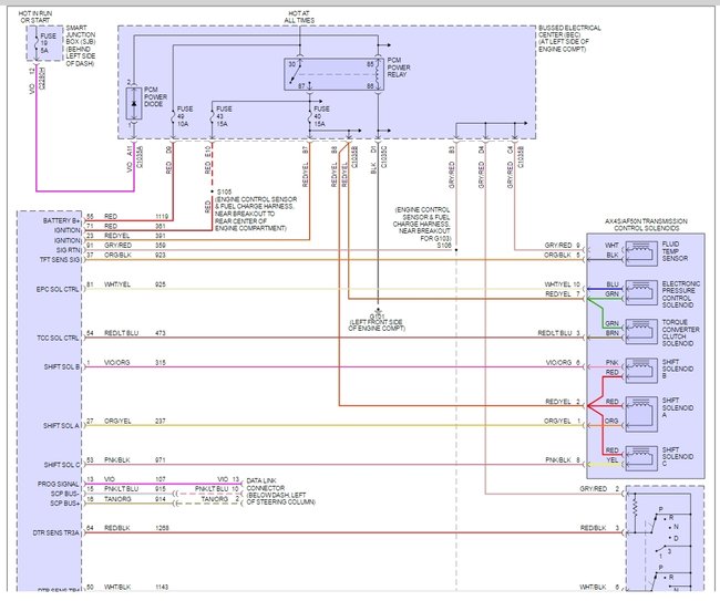
location of first, second shift solenoid on transmission
2005 FORD FREESTAR
130,000 MILES • V6 • FWD • AUTOMATIC
TOMEBERT
MEMBER
1 POST
FOLLOW
Need to know the location is it in the filter pan or the side pan on the driver side?
Sep 12, 2016 at 8:04 AM
Advertisement
STRAILER
CERTIFIED EXPERT
53,854 POSTS
Yes, I did some research for you and found this diagrams, the shift solenoid you need is A I believe.
Here is a diagram and solenoid location
Please let us know what you find so it will help others.
Best, Ken
Images (Click to enlarge)
Sep 14, 2016 at 9:12 PM