1GCRCPEH7FZ232833
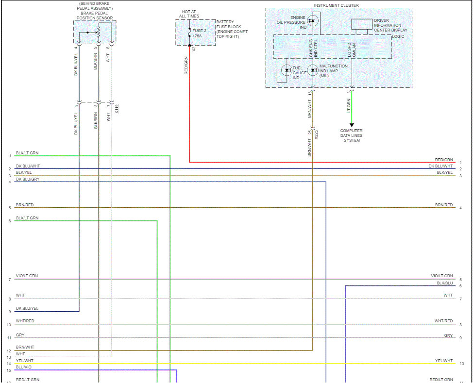
Please help me find drawings of the engine compartment with locations of wiring harness plugs. I bought a new harness (GM harness 84080118) but can only recognize about half of the plugs. Online drawings only show the bare harness.
Also need drawing of fuel connections on engine.
Can't get access to dealer workshop manual online.
Please attach drawings to email, so I can print. Thank you!
Please help me find drawings of the engine compartment with locations of wiring harness plugs. I bought a new harness (GM harness 84080118) but can only recognize about half of the plugs. Online drawings only show the bare harness.
Also need drawing of fuel connections on engine.
Can't get access to dealer workshop manual online.
Please attach drawings to email, so I can print. Thank you!
Aug 21, 2020 at 11:40 AM

















