Car won't crank

1999 VOLKSWAGEN JETTA
156,546 MILES • 2.0L • 4 CYL • 2WD • AUTOMATIC
Avatar
DPEYTON8
  • MEMBER
  • 1 POST
Car won't crank thought it was the starter so I replaced it and nothing got the battery tested thinking maybe it was dead and the battery is just fine so I checked all the fuses and they all look good car just won't crank and the dome lamps won't work and windows only work when manually locking the doors and holding it to roll them up or down.
May 19, 2014 at 11:08 AM
Advertisement
Avatar
KASEKENNY
  • CERTIFIED EXPERT
  • 18,907 POSTS
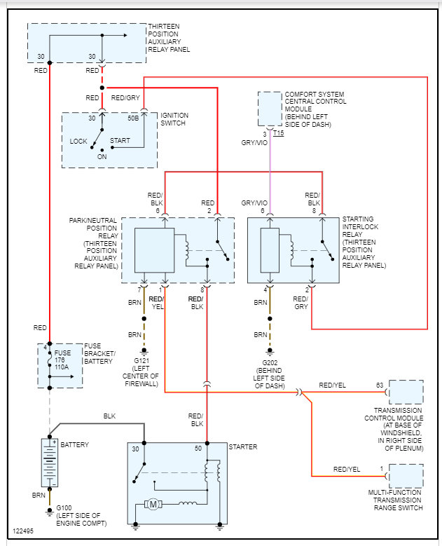
We need to start by going to the starter and find out if we are even getting voltage to the starter.

If not, then we need to go back in the system and find where we do have voltage.

I am attaching the wiring diagrams but here are a couple guides that will help with this:

https://www.2carpros.com/articles/how-to-check-wiring

https://www.2carpros.com/articles/how-to-use-a-voltmeter

This could be the park neutral switch so try to shift to neutral and see if the engine cranks. If it does, then we need to replace the PNP relay/switch.

However, if it still doesn't then go to pin 2 and crank the engine as this will test the ignition switch.

Please let us know what you find with this.

Thanks
Mar 7, 2022 at 5:00 PM
Avatar
DPEYTON8
  • MEMBER
  • 1 POST
Great news, it was the ignition switch. Thanks for all your help.
Mar 7, 2022 at 5:02 PM
Advertisement