Stuck in 4 wheel drive

1999 TOYOTA TACOMA
14,000,000 MILES • V8 • 4WD • AUTOMATIC
Avatar
ENGINE22
  • MEMBER
  • 1 POST
My 1999 Toyota Tacoma is stuck in 4 wheel drive. It has an automatic transmission and auto 4 wheel drive shift. What can I do or look for to get it out of 4 wheel drive?
Dec 12, 2010 at 4:04 PM
Advertisement
Avatar
KHLOW2008
  • CERTIFIED EXPERT
  • 41,814 POSTS
Check the actuator and motor movement.

ACTUATOR
1. Using ohmmeter, measure resistance between terminals No. 2 and 3. Resistance should be .3-100 ohms. See Fig. 2 .

2. Using ohmmeter, measure resistance between terminals No. 2 or 3 and chassis ground. Resistance should be greater than 500 k/ohms. If resistance values are not as specified, replace actuator assembly.

3. Check actuator limit switch continuity. Connect positive lead from battery to terminal No. 2 and negative lead to terminal No. 3. Connect positive lead from ohmmeter to terminal No. 5 and negative lead to terminal No. 4. Ensure continuity exists between terminals No. 4 and 5.

4. Connect positive lead from battery to terminal No. 3 and negative lead to terminal No. 2. Connect positive lead from ohmmeter to terminal No. 6 and negative lead to terminal No. 4. Ensure continuity exists between terminals No. 4 and 6. If continuity is not as specified, replace actuator assembly.


ACTUATOR MOTOR OPERATION

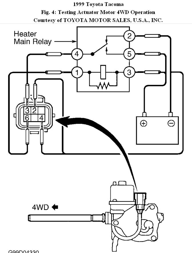
Connect heater main relay between actuator connector and battery. See
Fig. 3 . Actuator shaft fork should move to 2WD position. Connect heater main relay between actuator connector and battery. See Fig. 4 . Actuator shaft fork should move to 4WD position. If actuator does not operate as described, replace actuator.


© 2008 Mitchell Repair Information Co., LLC.
Dec 12, 2010 at 4:22 PM