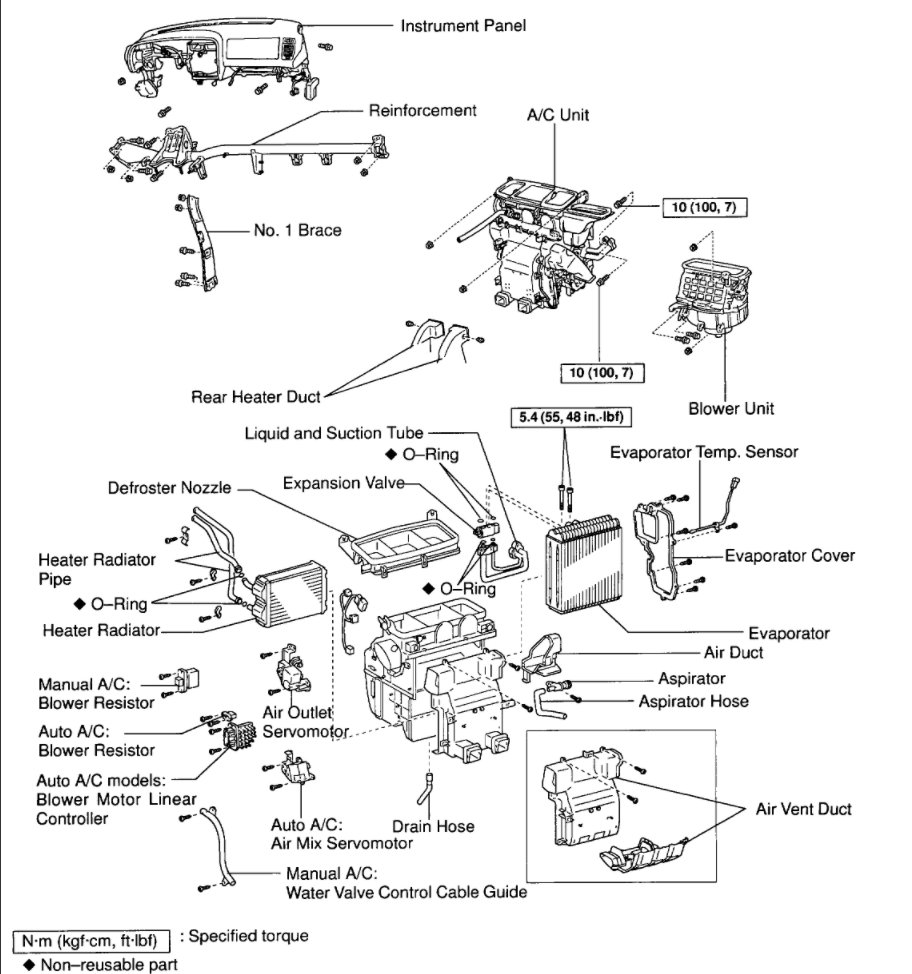
No heat in my 1999 Avalon. Both heater core hoses (in and out) get hot, however, no heat when I move heat/ac control on the inside panel nor when I manually adjust the control on the Heater control valve near the firewall (engine). Also, the cable from the control panel to the Heater control valve does not move when I change the temp control inside the car. The coolant level is good and the temp gauge registers halfway between hot and cold (normal).
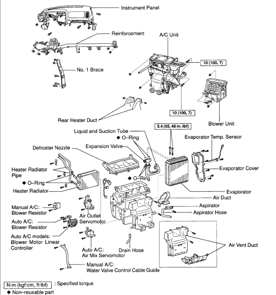
Any ideas of what is stopping my heat? I am having the same issue with my 99 Avalon. I have flushed the heater core, unhooked the water control valve and opened it manually but still no heat. I can't move the cable from outside nor will it move with temp control knob. I found a control unit in salvage yard no change. All buttons on both control units seem to move to correct positions but hot air no idea what to try next. ?
Any ideas of what is stopping my heat? I am having the same issue with my 99 Avalon. I have flushed the heater core, unhooked the water control valve and opened it manually but still no heat. I can't move the cable from outside nor will it move with temp control knob. I found a control unit in salvage yard no change. All buttons on both control units seem to move to correct positions but hot air no idea what to try next. ?
Nov 17, 2012 at 5:27 AM

