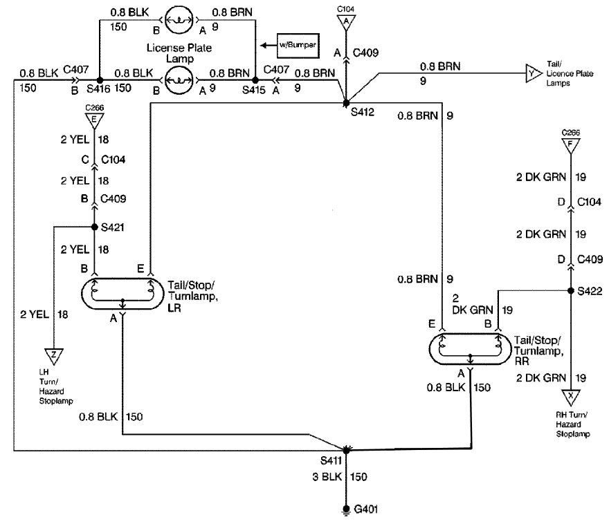
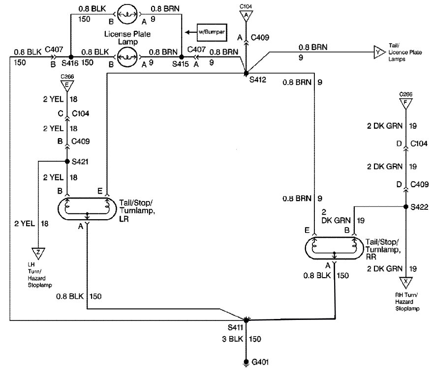
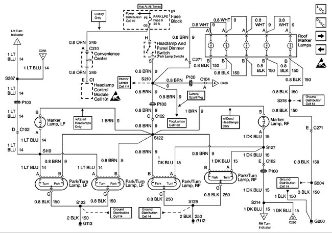
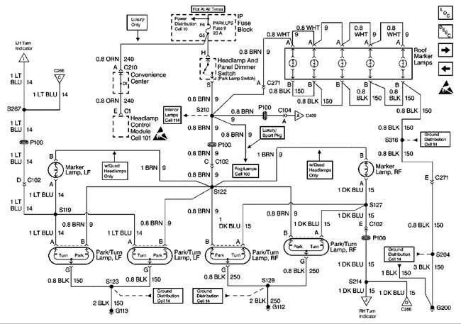
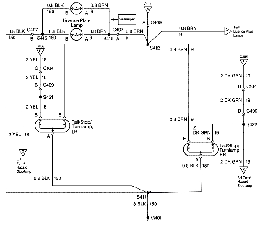
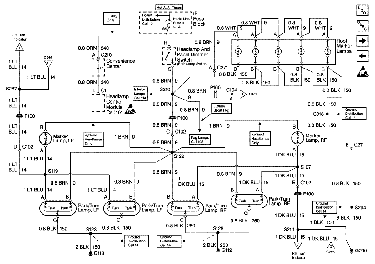
I am currently trying to find the fault in my brother's vehicle that is causing the rear running lights not to work (the bulb is illuminated when the brakes are depressed). all other lights are functioning with the exception of the rear running lights. After several hours running through the electrical systems, checking fuses and replacing parts it is still not lighting up. Am I missing something? Any insight would be much appreciated before I haul it off to a shop.
Feb 12, 2018 at 1:08 PM











