starter replacement?

1999 SUBARU OUTBACK
154,000 MILES • 2.5L • 4 CYL • AWD • AUTOMATIC
Avatar
FAUSTY
  • MEMBER
  • 1 POST
The starter on my 1999 subaru outback runs continuously even when started and when the key is turned off. Is my starter bad?
Oct 11, 2014 at 3:37 AM
Advertisement
Avatar
CARADIODOC
  • CERTIFIED EXPERT
  • 34,306 POSTS
I don't know if your car uses a starter relay. A lot of imports don't. If it doesn't skip the step related to it.

Remove the starter relay, then see what happens. If the cranking stops, suspect the ignition switch. If it still cranks, disconnect the smaller solenoid wire from the starter. If it still cranks, the solenoid is stuck due to worn and arced contacts or the drive gear is preventing the solenoid from releasing.

If this started right after the starter was replaced, check if the smaller solenoid wire on the starter is touching the braided fat wire going from the solenoid into the starter motor.
Oct 11, 2014 at 10:19 PM
Avatar
JGHERE
  • MEMBER
  • 2 POSTS
How difficult is replacing the starter on a 1998 Subaru outback? I'm relatively handy and would like to do this myself.
Oct 27, 2020 at 12:41 PM (Merged)
Advertisement
Avatar
CRZYDRVR
  • MEMBER
  • 432 POSTS
Of course disconnect the battery. The starter is on the drivers side of the engine, almost right below the master cylinder.
Oct 27, 2020 at 12:41 PM (Merged)
Avatar
MATT666
  • MEMBER
  • 7 POSTS
if i start my car it wont shut back off without disconnecting the battery. then if i hook it back up the starter starts running and if the key is on it will start and run. but if key is off the starter just keeps running. i replaced the ignition switch and it did the same thing. don't know were to go from there.


Oct 27, 2020 at 12:41 PM (Merged)
Avatar
WRENCHTECH
  • CERTIFIED EXPERT
  • 20,761 POSTS
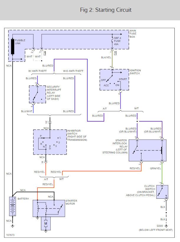
It sound like the starter solenoid it stuck ion which is common but to confirm the issue. Here is the starter wiring diagrams and a guide to help you see what's going on.

https://www.2carpros.com/articles/how-to-use-a-test-light-circuit-tester

Check out the diagrams (Below). Please let us know what you find.

Cheers
Oct 27, 2020 at 12:41 PM (Merged)
Avatar
MATT666
  • MEMBER
  • 7 POSTS
There hasnt been any recent work done on the car. It just started doing it yesterday.
Oct 27, 2020 at 12:41 PM (Merged)
Avatar
WRENCHTECH
  • CERTIFIED EXPERT
  • 20,761 POSTS
Is this problem just the starter staying engaged or that the engine won't shut off?
Oct 27, 2020 at 12:41 PM (Merged)
Avatar
MATT666
  • MEMBER
  • 7 POSTS
Kinda both. If the key is on and you hook up the battery it will start and run. But has like a miss. If the key is off and you hook up the battery then the starter just keeps running. If the car is running you can turn it off and take the key out and it keeps running. Then you have to disconnect the battery to get it to shut off. I got an ignition switch and put it in and it did the same thing so i put the old one back in. No need to waste $40. Everyone i talk to says that a relay would just go bad. But i wouldnt know what ones to check or how. Is there an ignition rely? Or the starter rely?
Oct 27, 2020 at 12:41 PM (Merged)
Avatar
WRENCHTECH
  • CERTIFIED EXPERT
  • 20,761 POSTS
That's why I am asking. If this is ONLY a starter problem, then a relay could cause it but if the engine actually stays running, there is something else going on that will have to be chased down.
Oct 27, 2020 at 12:41 PM (Merged)
Avatar
MATT666
  • MEMBER
  • 7 POSTS
I guess maybe iy could be a starter problem. Its just keepn it running cuz the starter made it. Its like it restarts maybe? If the key is off the starter just keeps running. So would the starter rely be a good place to start? Got any ideas?
Oct 27, 2020 at 12:41 PM (Merged)
Avatar
DCCLOUGH
  • MEMBER
  • 1 POST
My car won't start. It slowly began turning over then gradually the turning over slowed down and now it won't turn over at all. Does this sound like a bad battery or a starter problem?
Oct 27, 2020 at 12:41 PM (Merged)
Avatar
FISHERMAN
  • CERTIFIED EXPERT
  • 937 POSTS
[quote:ff889d6f79="dcclough"]Engine problem
1997 Subaru Outback 4 cyl All Wheel Drive Automatic 122000 miles
----------------------------------------------------------------
My car won't start. It slowly began turning over then gradually the turning over slowed down and now it won't turn over at all. Does this sound like a bad battery or a starter problem?[/quote:ff889d6f79]

Hello !!

Looks to me like the battery its weak, but the problem could be the alternator not charging the battery..

remove the battery get it recharge and make bench test your alternator.

Good Luck!
Oct 27, 2020 at 12:41 PM (Merged)
Avatar
WRENCHTECH
  • CERTIFIED EXPERT
  • 20,761 POSTS
Yeah, I's start with the starter relay.
Oct 27, 2020 at 12:41 PM (Merged)
Avatar
MATT666
  • MEMBER
  • 7 POSTS
Thank you for your help.
Oct 27, 2020 at 12:41 PM (Merged)
Avatar
MATT666
  • MEMBER
  • 7 POSTS
I just called subaru to try to get a starter rely and it does not list one for an automatic. They said it does not hav one. So that sucks. I guess ill just have to start pulling relys out and test them all?
Oct 27, 2020 at 12:41 PM (Merged)
Avatar
WRENCHTECH
  • CERTIFIED EXPERT
  • 20,761 POSTS
Yours has a security interrupt relay instead. It has to be that or the neutral switch on the transmission. https://www.2carpros.com/images/external/Starterwiring98Outback.jpg
Oct 27, 2020 at 12:41 PM (Merged)
Avatar
MATT666
  • MEMBER
  • 7 POSTS
Ok. Thats what ill start checking then. Thank you fou your help.
Oct 27, 2020 at 12:41 PM (Merged)