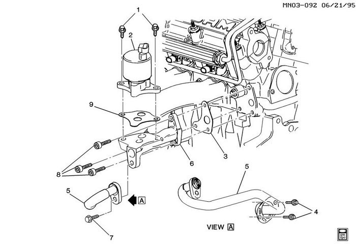
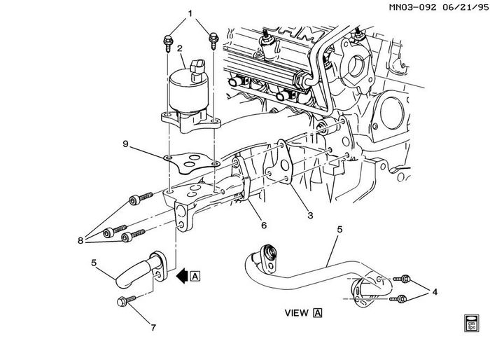
on a 2.4L 1999 pontiac grand am se engine, what is mounted directly beside the intake on the side of the cylinder head? between the intake and power steering pump? I just replaced 2 busted valves, reassembled engine and have a part missing that mounts directly beside the intake manifold on the same surface to the right of the intake manifold as looking at it from front of car with hood up. the gasket is a backwards "L", it has 3 bolt holes and a larger hole between that pulls in vacuum.
Dec 20, 2011 at 11:57 PM


