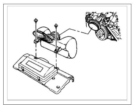
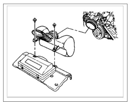
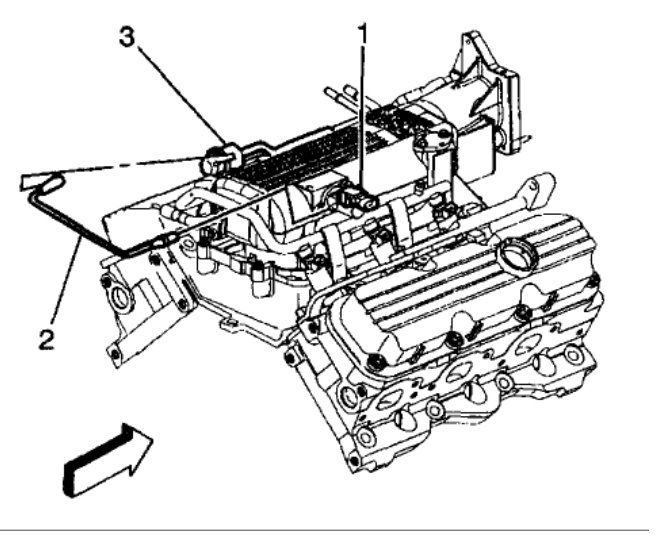
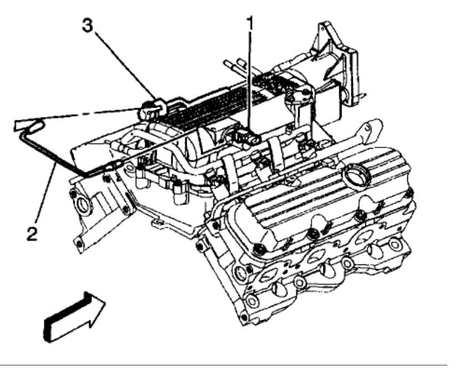
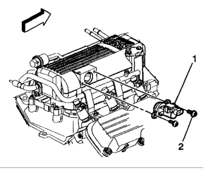
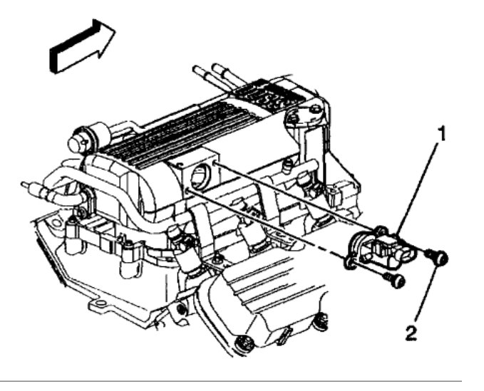
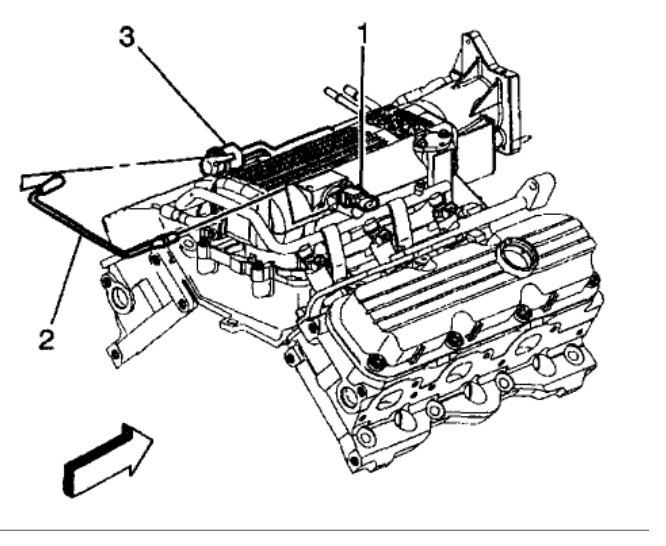
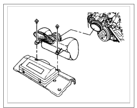
I have to replace the plenum and intake manifold gaskets on a 99 pontiac Firebird 3.8 3800 series 2 rwd engine. First time to do this job, is there details? A step by step, or a video, or anything to help me not sweat this job as bad. It's my only car right now so when I take it down I have to be sure to have everything I need. I'm looking forward to the task, but I nervous about some aspects, like the injectors.
Thanks guys!
Thanks guys!
Jun 18, 2011 at 1:44 AM
















