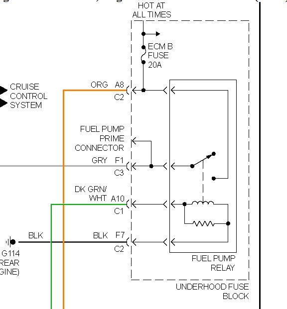
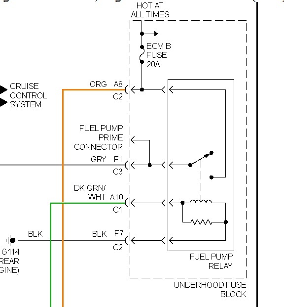
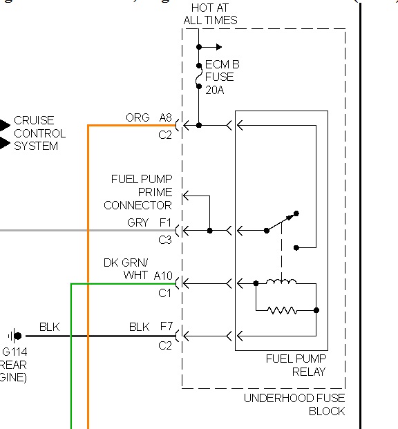
i am having a fuel issue and my truck will usually not start. i have replaced the fuel pump thinking that was the issue but it wasnt. So now i have a new fuel pump and if i hook it up directly it will run fine if hooked to connector on vehicle when i turn key i hear nothing with little to no fuel pressure at all. I have checked the fuse and relay and took of ground under battery sanded and reconnected. also has new spider injectors that i just replaced. gas gauge reads empty now but has about 10 gallons in so maybe them wires are backwards but dont think thats an issue i did get it started once and was able to drive it but after shutoff wouldnt restart. i am lost please help
Mar 7, 2011 at 3:59 PM

