1999 Oldsmobile Aurora check charge system

1999 OLDSMOBILE AURORA
130,000 MILES • 4.0L • V8 • 2WD • AUTOMATIC
Avatar
CHRISPARKS77
  • MEMBER
  • 8 POSTS
I changed the alternator and battery. and it still say the same thing? what can it be?
Mar 15, 2014 at 4:51 PM
Advertisement
Avatar
HMAC300
  • CERTIFIED EXPERT
  • 48,601 POSTS
see if the fusible link is burnt going to alternator. check battery for condition including load test
Mar 16, 2014 at 8:15 AM
Avatar
CHRISPARKS77
  • MEMBER
  • 8 POSTS
I checked it..its fine,what can it be?
Mar 16, 2014 at 9:00 AM
Advertisement
Avatar
HMAC300
  • CERTIFIED EXPERT
  • 48,601 POSTS
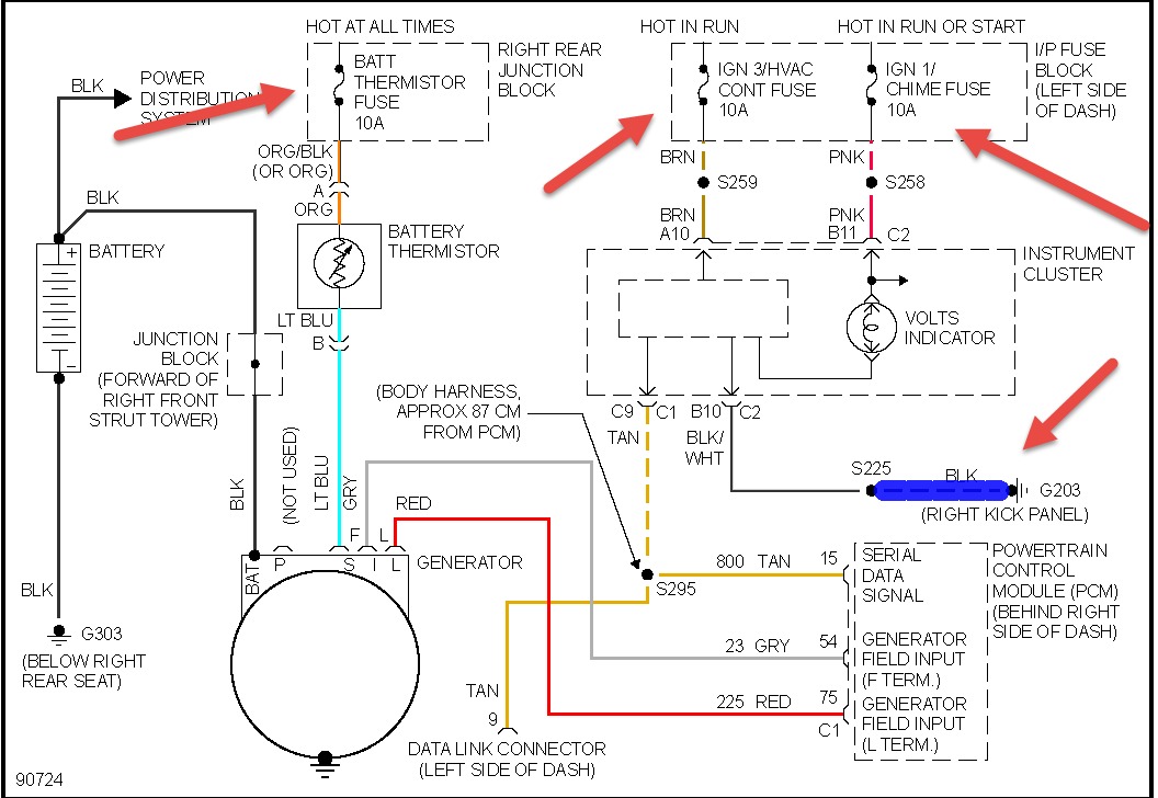
did you check the battery like I said in first reply check items in pic if none of these are bad then start check connections at pcm alternator and junction boxes.
Mar 16, 2014 at 9:12 AM
Avatar
CHRISPARKS77
  • MEMBER
  • 8 POSTS
Thank you sir,ill check all of the items and i will let you whats the results.
Mar 16, 2014 at 9:22 AM