1999 Oldsmobile Alero heating

1999 OLDSMOBILE ALERO
15,000 MILES • 2.4L • 4 CYL • AUTOMATIC
Avatar
HARRYFOX
  • MEMBER
  • 5 POSTS
the heating is only working on high
the blower is working and is giving heat
Jan 10, 2015 at 1:20 PM
Advertisement
Avatar
MHPAUTOS
  • CERTIFIED EXPERT
  • 31,937 POSTS
You will probably have a burnt out fan resister
Jan 10, 2015 at 2:12 PM
Avatar
MHPAUTOS
  • CERTIFIED EXPERT
  • 31,937 POSTS
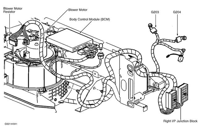
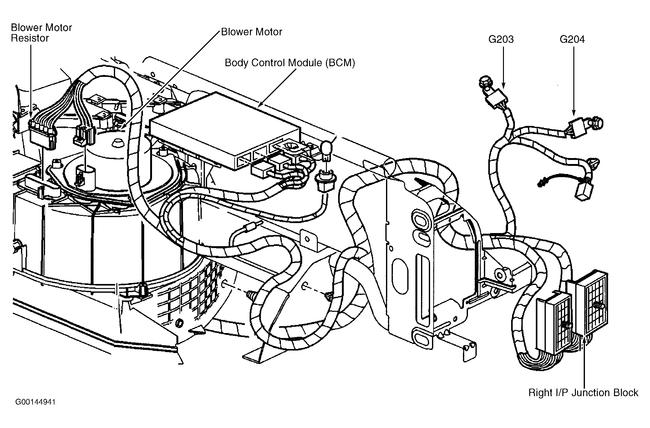
Sorry pushed submit to soon, it is located on top of the blower motor see pic.
Jan 10, 2015 at 2:13 PM
Advertisement
Avatar
HARRYFOX
  • MEMBER
  • 5 POSTS
thank you very much we will try that
you have been a good help
Jan 10, 2015 at 3:49 PM
Avatar
MHPAUTOS
  • CERTIFIED EXPERT
  • 31,937 POSTS
Hope that all it is, re post if you still need help
Jan 10, 2015 at 4:10 PM