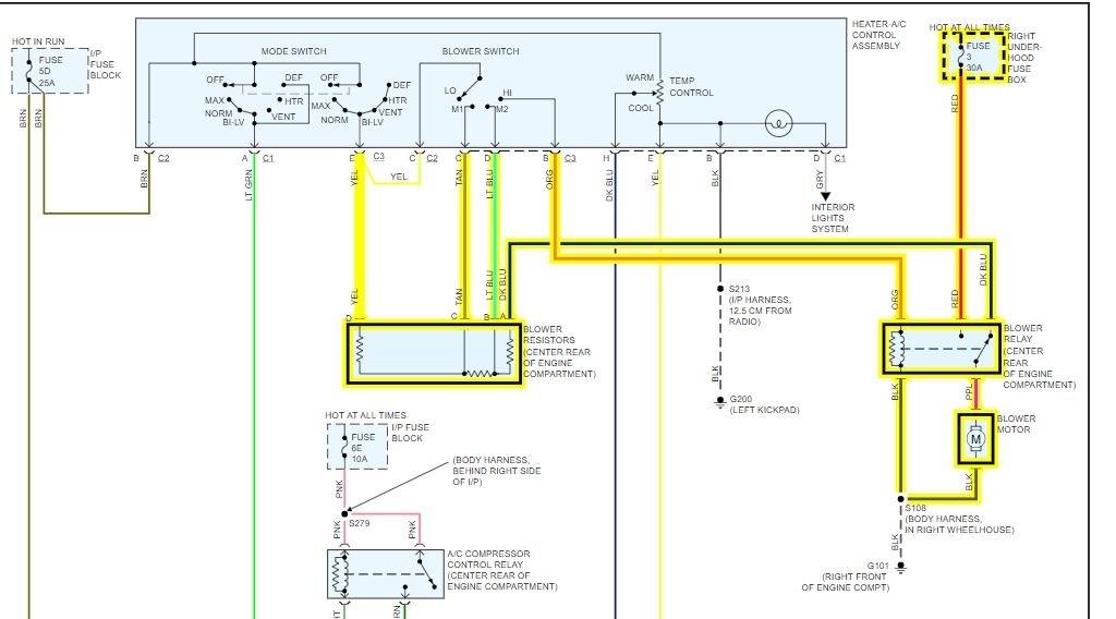
The blower motor is not running at all. I replaced the blower and the resistor and still nothing. What else can I check? Keep in mind it does not blow air on either setting. It just plain does not work. It was working the night before and i could smell something burning through the vent. Then the next day it didn't work at all.
Jan 24, 2014 at 6:40 PM

