a/c comp. will not shut off.

1999 MERCURY TRACER
180,000 MILES
Avatar
TTRRVV
  • MEMBER
  • 2 POSTS
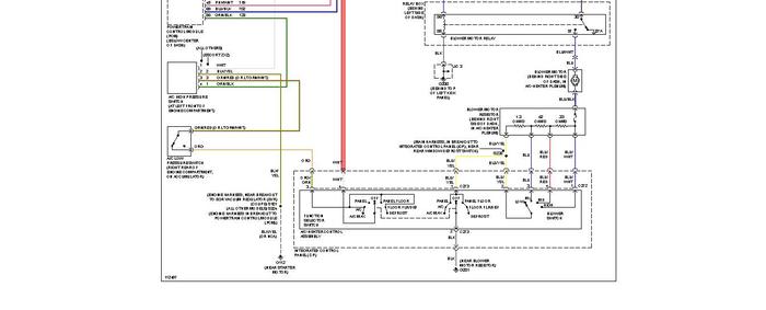
I have a 1999 mercury tracer the a/c comp. would not come on I just put in a new relay control module in it now the comp. will not shut off.
Mar 29, 2012 at 12:01 AM
Advertisement
Avatar
RASMATAZ
  • CERTIFIED EXPERT
  • 75,992 POSTS
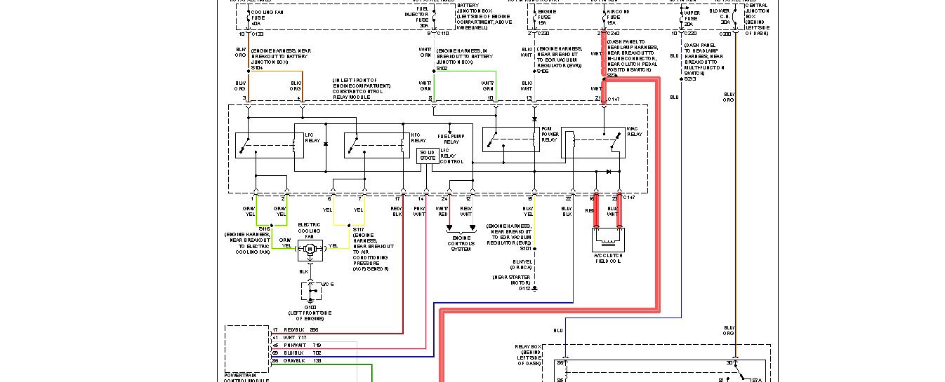
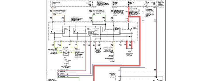
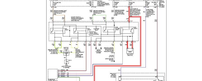
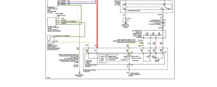
You sure you have the right CCRM? See EWD below
Mar 29, 2012 at 5:35 AM
Avatar
TTRRVV
  • MEMBER
  • 2 POSTS
can't see that schematic
Mar 29, 2012 at 1:05 PM
Advertisement