1999 Mercury Marquis Electrical Problem

1999 MERCURY MARQUIS
247,000 MILES • 4.6L • V8 • RWD • AUTOMATIC
Avatar
YAGGA3
  • MEMBER
  • 5 POSTS
When I start the car everything seems to work fine but when I push the gas pedal the temperature control, turn signals and interior lights stop working. Sometimes when I am slowing to stop a light they all come back on but as soon as I start to accelerate they will shut off again. After this happened for a few days, I went out to start the car in the morning and the battery was dead. I have replaced the battery and it is still happening.
Jan 14, 2014 at 2:49 PM
Advertisement
Avatar
HMAC300
  • CERTIFIED EXPERT
  • 48,601 POSTS
have your charging system checked and make sure battery terminal ends are clean. auto parts do this for free
Jan 14, 2014 at 3:13 PM
Avatar
YAGGA3
  • MEMBER
  • 5 POSTS
I took it to my local shop and they checked the charging system. They told me that the charging system checked out good. I used a baking soda/water mix to clean the battery terminals & cables. After this I am still having the same problem. Additionally, I have noticed that when the power goes out and I turn on my lights the clock also goes out but when I turn the lights off the clock immediately comes back on.
Jan 14, 2014 at 5:40 PM
Advertisement
Avatar
HMAC300
  • CERTIFIED EXPERT
  • 48,601 POSTS
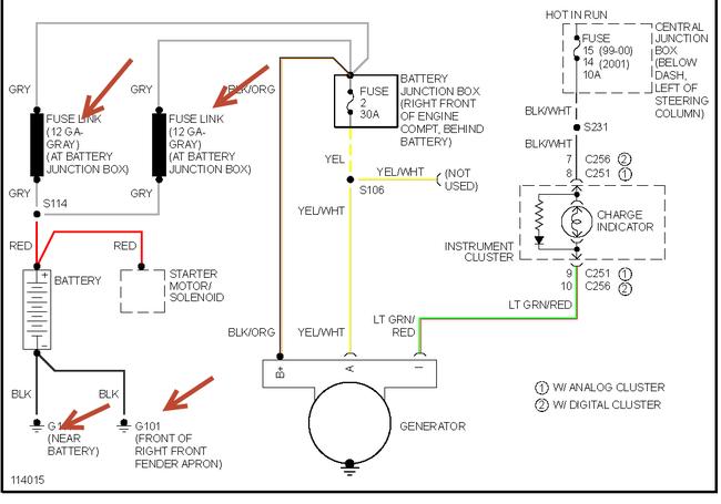
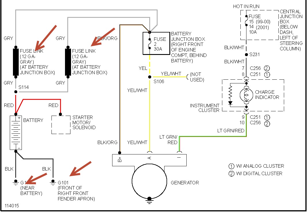
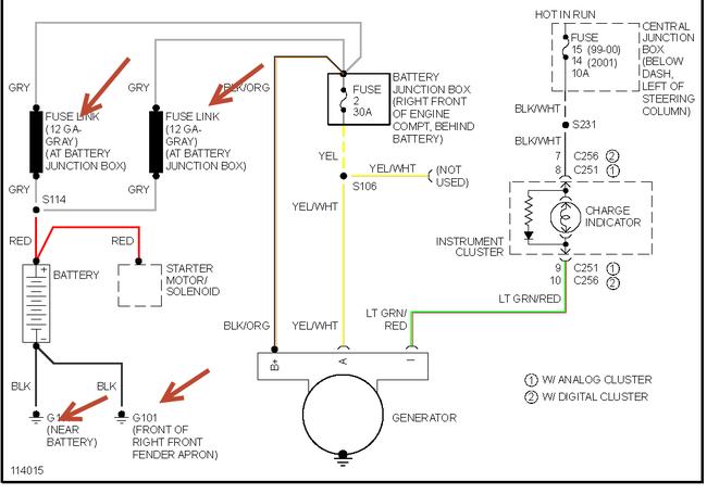
check tosee if your battery to body ground is hooked up or broken this may be the cause of it. then check the tings I've pointed out in pic for the fusible links seeif only one or two strands are holding them together. they shold have have same voltage on both sides.
Jan 15, 2014 at 7:28 AM
Avatar
YAGGA3
  • MEMBER
  • 5 POSTS
Put the new battery in on Tuesday and yesterday it was dead. I checked the grounds first and everything was good but just to make sure I unscrewed and cleaned both of them. Then I checked the thinks that you mentioned and everything checked out fine. I hooked the battery to my bench charger and once it was finished I plugged it back into the car. I checked the volts and when the car is off the battery was reading 12.90 volts at the terminal. I also checked the volts using the positive terminal and both grounds, the negative terminal and each fuse in the power dist. box, and the negative terminal to the positive cable on the alternator. All came back between 12.8 - 12.9.

I went to start the car and it just clicked so I checked the battery again and it had dropped to under 8 volts. Once I jumped the car the battery was reading 16 volts so I checked all the same things and all came back between 15.9 and 16.

I left the car run for a little over an hour then turned it off. Went back out this morning and the battery is dead again.
Jan 16, 2014 at 9:41 AM
Avatar
HMAC300
  • CERTIFIED EXPERT
  • 48,601 POSTS
either this battery is bad or won't hold a charge or something is draining the battery overnite. go to how to repair, battery item 9 it will tell you how to check it. the battery may ffail a load test which auto parts can check as well as tire stores/repair shops. You might end up taking this to arepair shop to get this fixed as it's hard for us to diagnose a problem similar to yours.
Jan 16, 2014 at 9:46 AM
Avatar
YAGGA3
  • MEMBER
  • 5 POSTS
I had a brand new battery put in on Tuesday. Is it possible that the alternator is draining my battery? If the motor is not grounded properly and the alternator is grounded using the bolts to the motor, could that cause the alternator to pull power from the battery when the car is off?

I don't have an issue replacing the alternator, I just hate to replace parts that aren't bad. It's getting to the point that the value of the car is less than the repairs I have put into it.
Jan 16, 2014 at 9:53 AM
Avatar
HMAC300
  • CERTIFIED EXPERT
  • 48,601 POSTS
if an alternator is bad it is usually the diode or diode bridge is bad an dletting poer go back through it when it shouldn't .you have to do a draw test on this which I sent how to get to it on site here. then disconnect the alternator large wire. if light goes out alternator is in need of replacing. what it means even though it charges it draws the battery down when ever not running. Bu tit cold be something else doing the draw as well a test light or volt meter should go out when ever you find the draw. lHowever newere cars will have a lsight draw to them all the time, not enough to discharge a battery overnite but a slight draw like in millivolts.
Jan 16, 2014 at 9:59 AM
Avatar
YAGGA3
  • MEMBER
  • 5 POSTS
Draw test came back with no light. I noticed now that with the car off the battery will read around 12.6 but as soon as I start the car the voltage jumps to almost 17 and will slowly get to almost 18. Could the internal lights and heater by shutting off as a reaction to the over voltage?
Jan 17, 2014 at 3:06 PM
Avatar
HMAC300
  • CERTIFIED EXPERT
  • 48,601 POSTS
voltage should be 15.3 max unless your meter is off.It might climb that high at first but shold level off at 15.3 at the most with lights an dheater working. I really suggest that you take this to a pro to see what they can figure out as some of these are kind of hard for us to figure a problem out like this without actually seeing what is going on ourselves...
Jan 17, 2014 at 3:37 PM