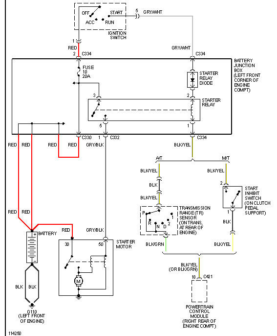
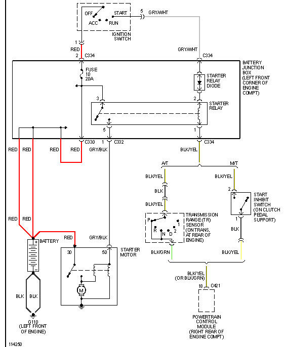
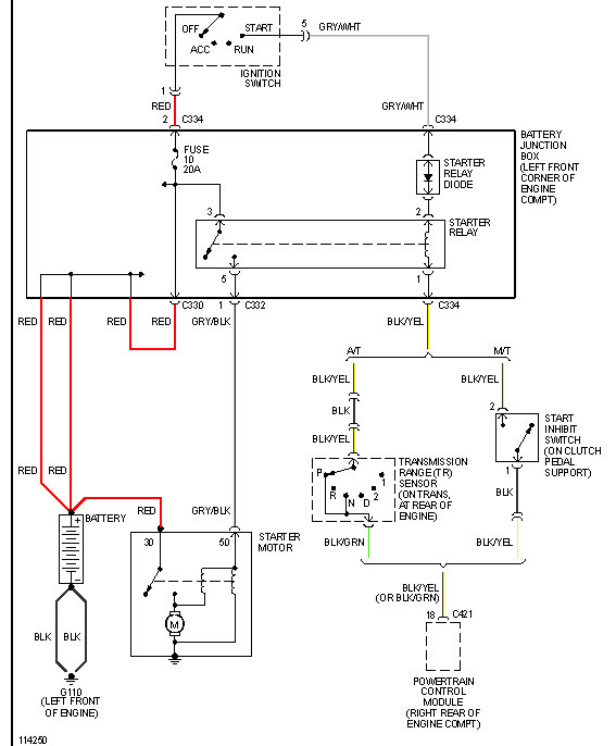
ok one more round with my car it has auto trans and 2.5 motor I installed the motor wouldn't start at first replaced speed control sensor car started rite up 3 or 4 times now it wont start I hit the ignition can hear the fuel pump kick on but starter doesn't engage starter has been check and is good no power to the small wire that engages starter I jump the starter with switch on it started once but back to nothing now I checked hot wire out of ignition appears to be power to relay have replaced relay with known good one still no change im wondering if it is security system the light for it only comes on iff I turn switch on and off a few times then it will stay on for about 5 seconds otherwise it never comes on any ideas or help would be great
Jul 15, 2013 at 12:17 PM
