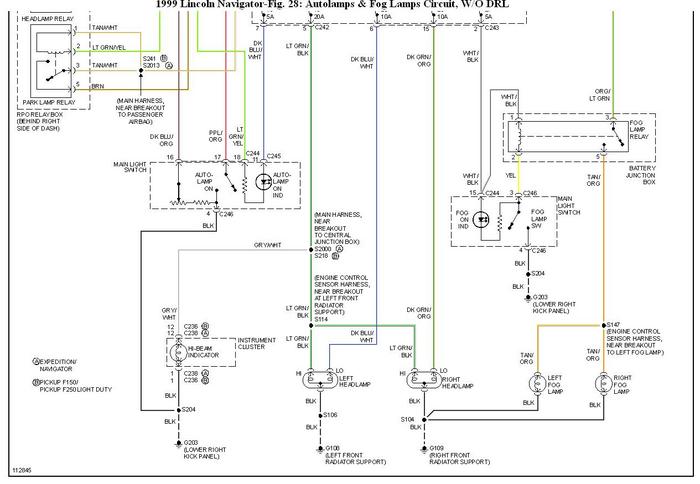
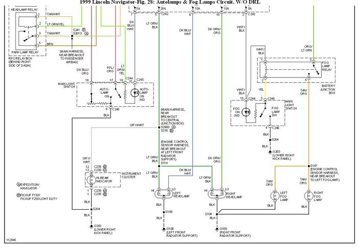
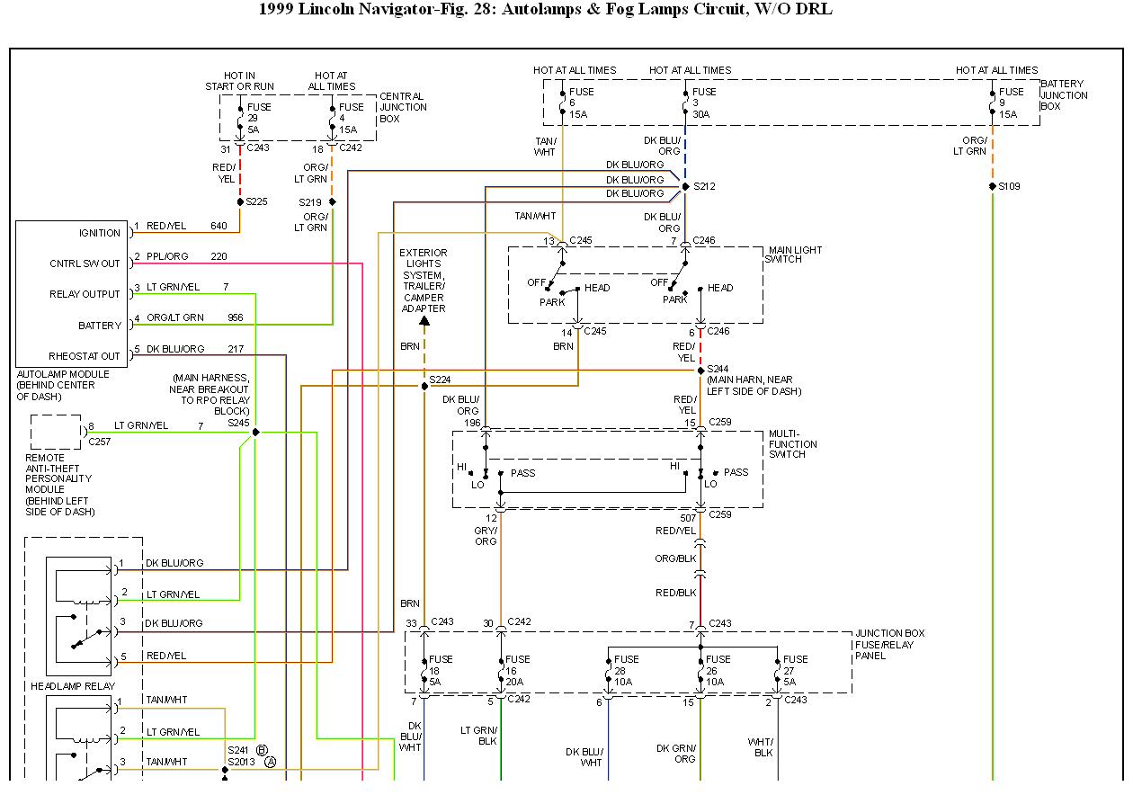
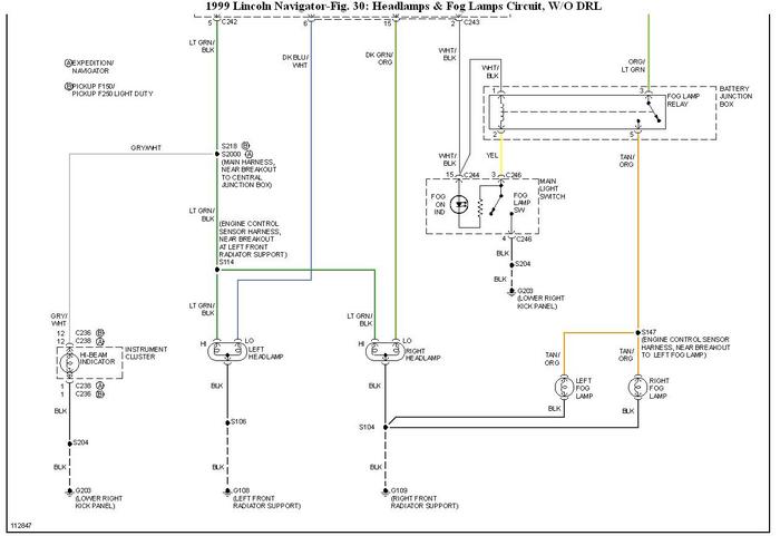
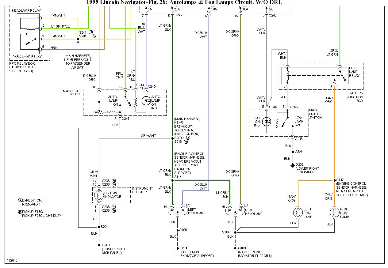
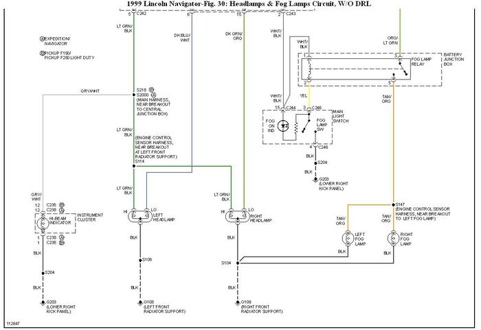
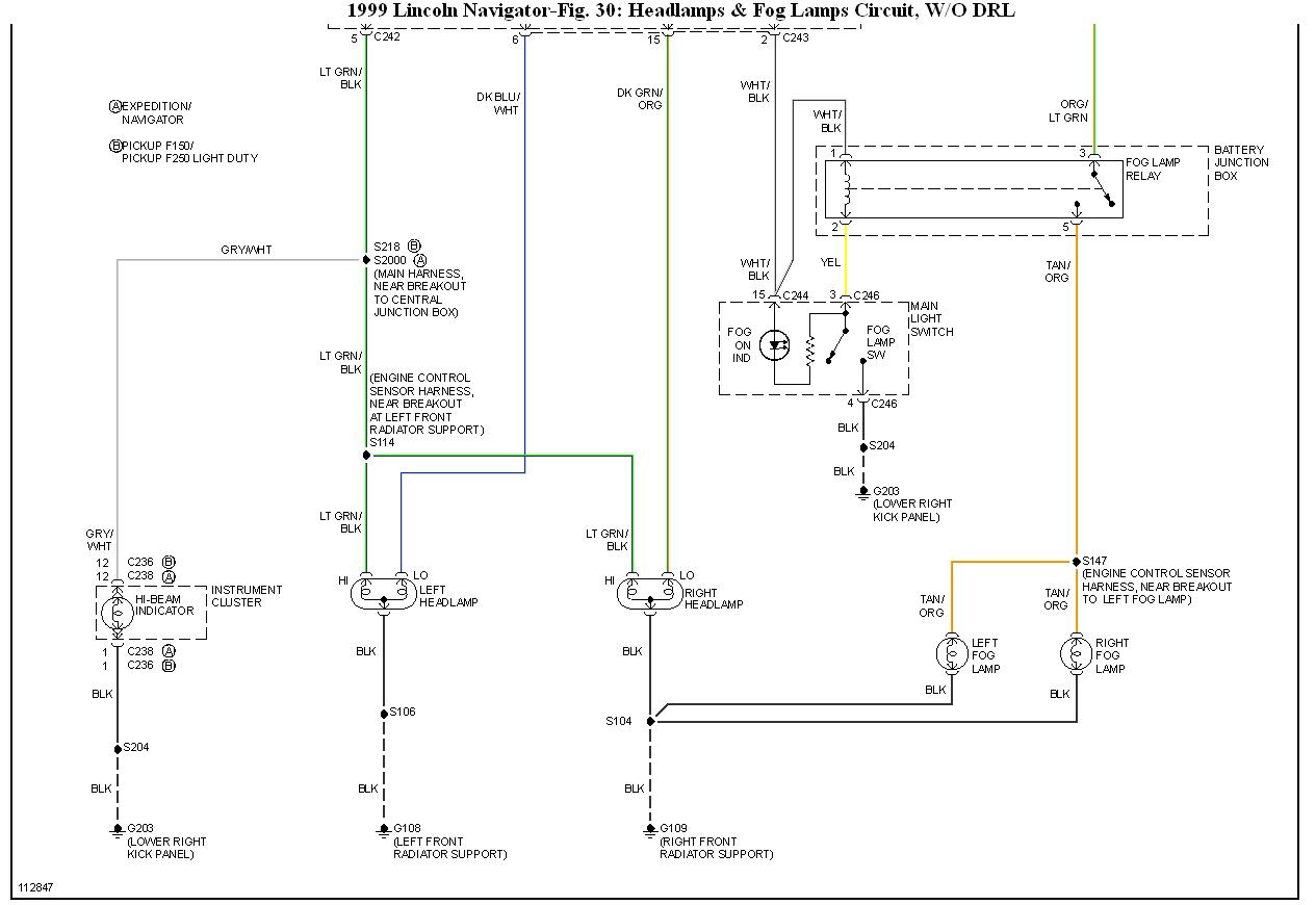
I have a 1999 Navigator. the headlights quit working. the parking lights work but will not turn of with the switch unless I re-start and turn off while engine is running. All the fuse's are good and the bulbs were replaced.
Jan 17, 2011 at 4:16 AM



