suspension lights on

1999 LAND ROVER
160,000 MILES
Avatar
RAYCARSS
  • MEMBER
  • 10 POSTS
Hi my car is a 99 V8 petrol auto and the problem im having is the light on the dash with the arrow under the jeep is on and all the lights on the suspension ajust are in , when i press up or down on the suspension button it dose not work . any ida s ? thanks
Dec 15, 2011 at 8:27 PM
Advertisement
Avatar
DRCRANKNWRENCH
  • CERTIFIED EXPERT
  • 3,380 POSTS
When height control is activated the driver cannot control suspension settings.The EAS system will not respond until the Rocker RELEASE Switch is turned off.
If it is on it can also indicate a system fault. It should normally come on for 2 seconds after the engine is started and then go off. The first thing to do if it does seem there is a system fault is to have the trouble codes pulled. This will give you a better idea of what has failed or causing the fault.
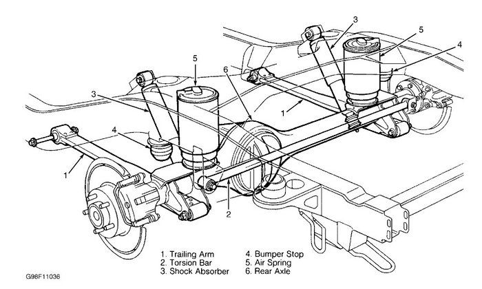
I have provided you with a few diagrams to give you an idea of where the EAS suspension components are located. First look at the fuse box in the vehicle under the dash on the drivers side and look at the back of the cover. It should have a diagram of what each fuse is for. Check andy fuses for the EAS system. There is another fuse relay box under the hood on the right side near the firewall, it is indicated in one of the diagrams, check it for blown fuses as well. The digaram also shows where EAS components are located as well.
Dec 15, 2011 at 10:26 PM