wiring guide for car radio

1999 KIA MENTOR
150,000 MILES
Avatar
TOOWOOMBA MICK
  • MEMBER
  • 1 POST
I would like to find a wiring guide for Kia mentor slx car radio so I may repalce stereo please
May 28, 2012 at 11:56 PM
Advertisement
Avatar
HMAC300
  • CERTIFIED EXPERT
  • 48,601 POSTS
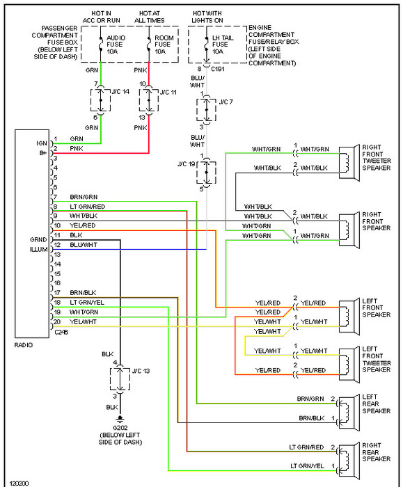
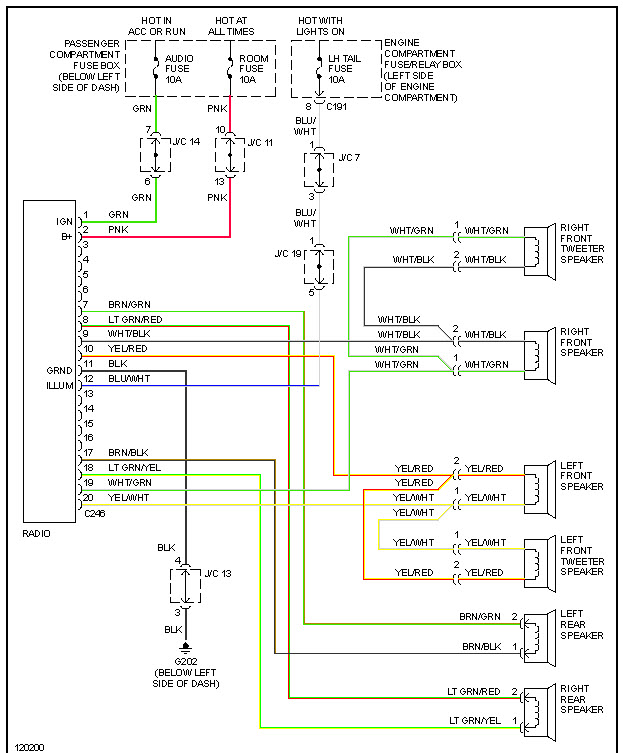
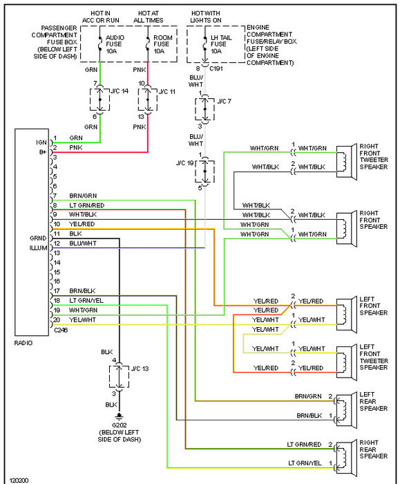
no info for that vehicle. but here is one for a sephia..
May 29, 2012 at 1:06 PM