gauges stopped working

1999 JEEP WRANGLER
150,000 MILES • 2.5L • 4 CYL • 4WD • MANUAL
Avatar
MALACY0349
  • MEMBER
  • 2 POSTS
Recently my gauges stopped working on my jeep. This problem doesn't affect anything else with my jeep, it just causes all of my gauges not to work. I can't see fuel level, my speed, rpm, and my mileage stays the same when the gauges are out, it doesn't add up the miles.

What might it be?
Dec 5, 2013 at 7:57 AM
Advertisement
Avatar
STRAILER
  • CERTIFIED EXPERT
  • 53,855 POSTS
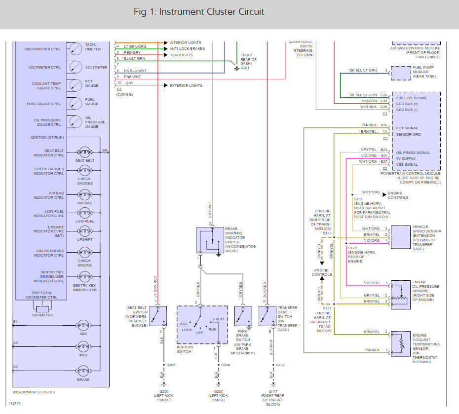
I would check the fuses first here is a wiring diagram so you can see how the system works. fuse #10 10 amp

https://www.2carpros.com/articles/how-to-check-a-car-fuse

Here are the fuse locations as well.

Check out the diagrams (Below)

Please let us know what happens.

Cheers, Ken
Dec 5, 2013 at 9:30 AM
Avatar
MALACY0349
  • MEMBER
  • 2 POSTS
You nailed it, it was the fuse :)
Dec 7, 2013 at 9:10 AM
Advertisement