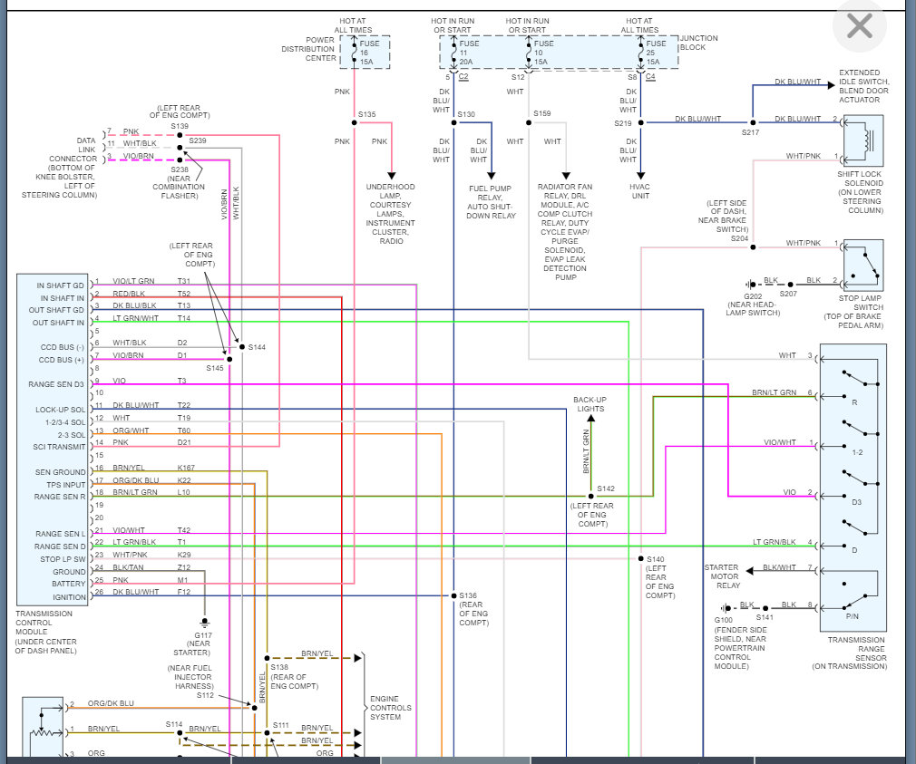
My vehicle went into reverse when I left work today.... I ran to the store and when I came out it wouldn't back up. You can feel it click but it just sits there and won't move. just like it's in neutral... my RPMs don't drop.... I have good forward gears.... transmission fluid is full.... it got a straight 6 in it.... please help me resolve my problem... thanks
Feb 12, 2014 at 4:34 PM







