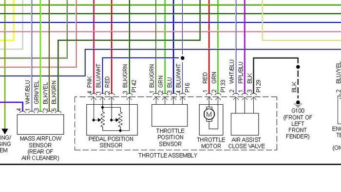
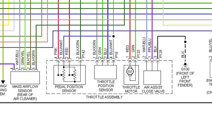
1999 xj8 throttle body pps/1/2 the wiring color connection from top to btm i have a manual but it has like -1 uw -2 bg help the connection broke and i don't know the order same on tps1/2 . help
Mar 9, 2011 at 8:34 PM
