☰
Login
Join
×
Home
Answered Questions
Repair Topics
Repair & Service Guides
Popular Questions
Warning Lights
Trouble Codes
How It Works
Testing / Diagnostics
Symptoms
Videos
Login
Become a Member
Home
Jaguar
Vanden Plas
Electrical
Battery
Location
1999 JAGUAR VANDEN PLAS
100,000 MILES
MICHAELRCHIKO
MEMBER
1 POST
FOLLOW
where is the battery
Dec 19, 2012 at 1:01 PM
Advertisement
JDL
CERTIFIED EXPERT
16,098 POSTS
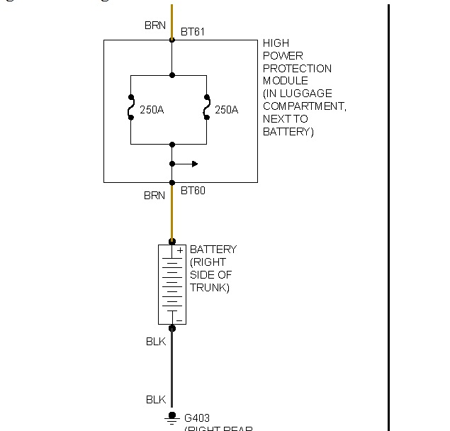
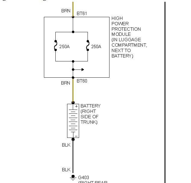
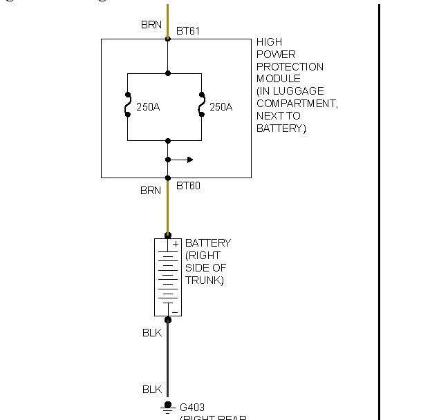
My info says the battery is in right side of trunk. If vehicle loses battery voltage may go into theft-lock? There could be other issues as well?
Image (Click to enlarge)
Dec 19, 2012 at 6:03 PM