low beam is not working

1999 HYUNDAI ACCENT
107,000 MILES • 4 CYL • FWD • AUTOMATIC
Avatar
ANDERSONREIS
  • MEMBER
  • 3 POSTS
I have a Hyundai Accent 1999 and when was driving last night, suddenly the both low beam headlights stopped work at the same time. High beam headlights works, but low beam headlights does not. I checked bulbs, fuses and I can't find the problem. Can you help me please solve this problem?
Jan 7, 2011 at 12:50 PM
Advertisement
Avatar
KHLOW2008
  • CERTIFIED EXPERT
  • 41,814 POSTS
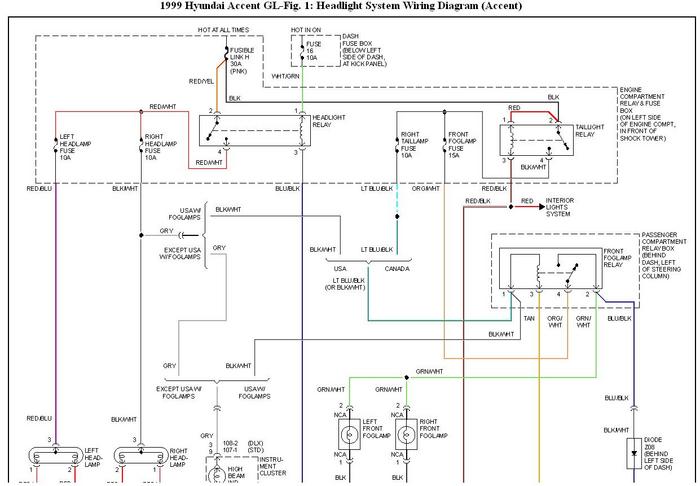
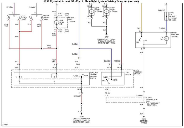
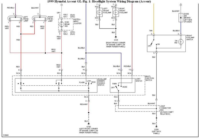
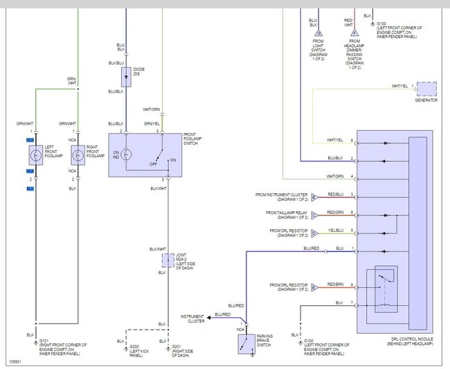
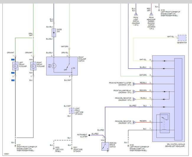
Attached is a schematic of the headlight wiring.

With headlight turned on to Low beams, check if the headlight relay is working.

If grounding the Red wire at headlight switch turns the low beams on, the headlight switch is faulty.


Jan 7, 2011 at 2:28 PM
Avatar
ANDERSONREIS
  • MEMBER
  • 3 POSTS
Thank you. I'll try to fix it. One more question. How can I get a repair manual for the same car?
Jan 7, 2011 at 4:34 PM
Advertisement
Avatar
KHLOW2008
  • CERTIFIED EXPERT
  • 41,814 POSTS
You can get it from bookstores. Haynes is one of the leading publisher for shop manuals.

You can also subscribe online to sites such as Mitchell1. Here is a link to Mitchell1.

https://www.2carpros.com/manuals/manuals.php
Jan 8, 2011 at 3:14 PM
Avatar
ANDERSONREIS
  • MEMBER
  • 3 POSTS
Ok folks, thanks a lot for your help.
Jan 9, 2011 at 3:39 PM
Avatar
KHLOW2008
  • CERTIFIED EXPERT
  • 41,814 POSTS
You're welcome.

If there is anything else, just post reply here and I would get back to you as sonn as I am online.

Have a nice day.
Jan 9, 2011 at 9:15 PM
Avatar
KAI999
  • MEMBER
  • 1 POST
Hello i have a Hyundai accent 1998 model the car head lights is only working when i put a wire from the brown wire the negative of the battery can someone show me how to fix the problem?
Jan 14, 2017 at 11:38 PM
Avatar
STRAILER
  • CERTIFIED EXPERT
  • 53,854 POSTS
Hey KAI999,

This looks like it could be the headlight relay, here is a guide and a diagram to help you get the problem fixed.

https://www.2carpros.com/articles/how-to-check-an-electrical-relay-and-wiring-control-circuit

and

https://www.2carpros.com/articles/how-to-use-a-test-light-circuit-tester

Please run some tests and get back to us so we can continue helping you.

Best, Ken

Jan 15, 2017 at 12:09 AM
Avatar
TINE ALBREHT
  • MEMBER
  • 1 POST
Hi, please check connector on Turn Signal / Light Switch. I had moulded faston. I soldered wire directly on light switch, remove damaged faston and connected wires together.
Mar 2, 2019 at 6:04 AM
Avatar
STRAILER
  • CERTIFIED EXPERT
  • 53,854 POSTS

Excellent addition to this thread! Please feel free to help out whenever you are on the site :)
Mar 4, 2019 at 11:10 AM
Avatar
  • MEMBER
  • 2 POSTS
On a 1999 Hyundai Accent where is the headlight relay at? I’ve tried grounding the red wire at the switch, no headlights came on. Now I grounded the headlight at the light it’s self and they came on. Almost positive it’s the relay now, just need help finding it. I’ve got the underside of the dash opened up. Tired following the wires but without removing most of the tape off the wires it’s almost impossible. Any help would be greatly appreciated.
Jul 30, 2019 at 7:16 PM
Avatar
STRAILER
  • CERTIFIED EXPERT
  • 53,854 POSTS
Hello,

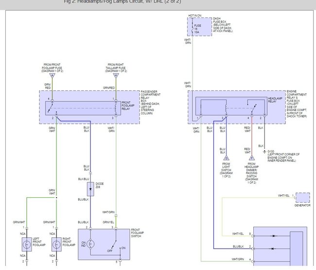
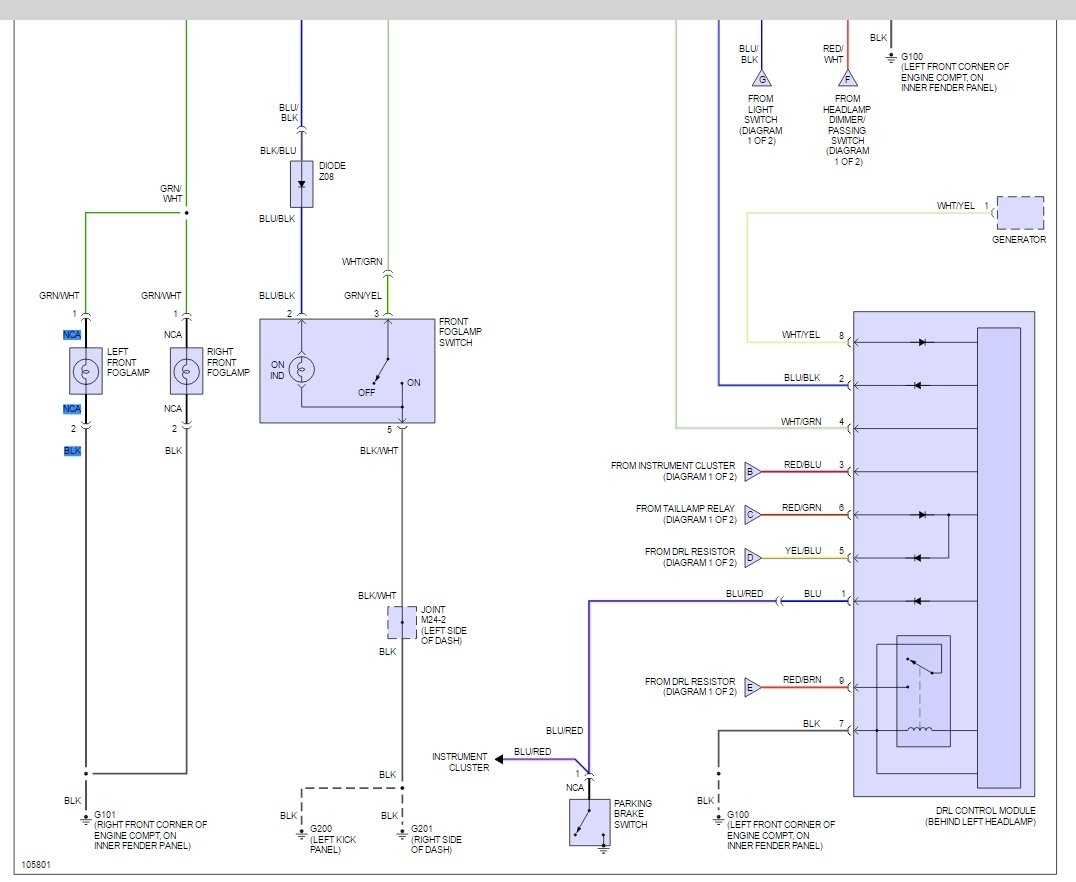
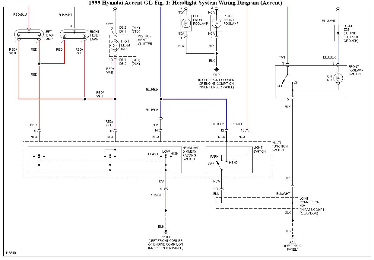
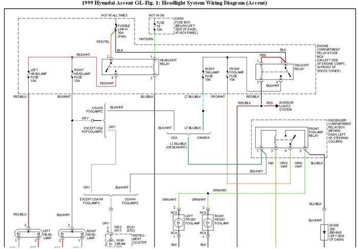
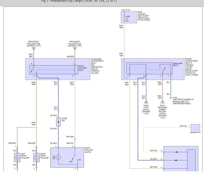
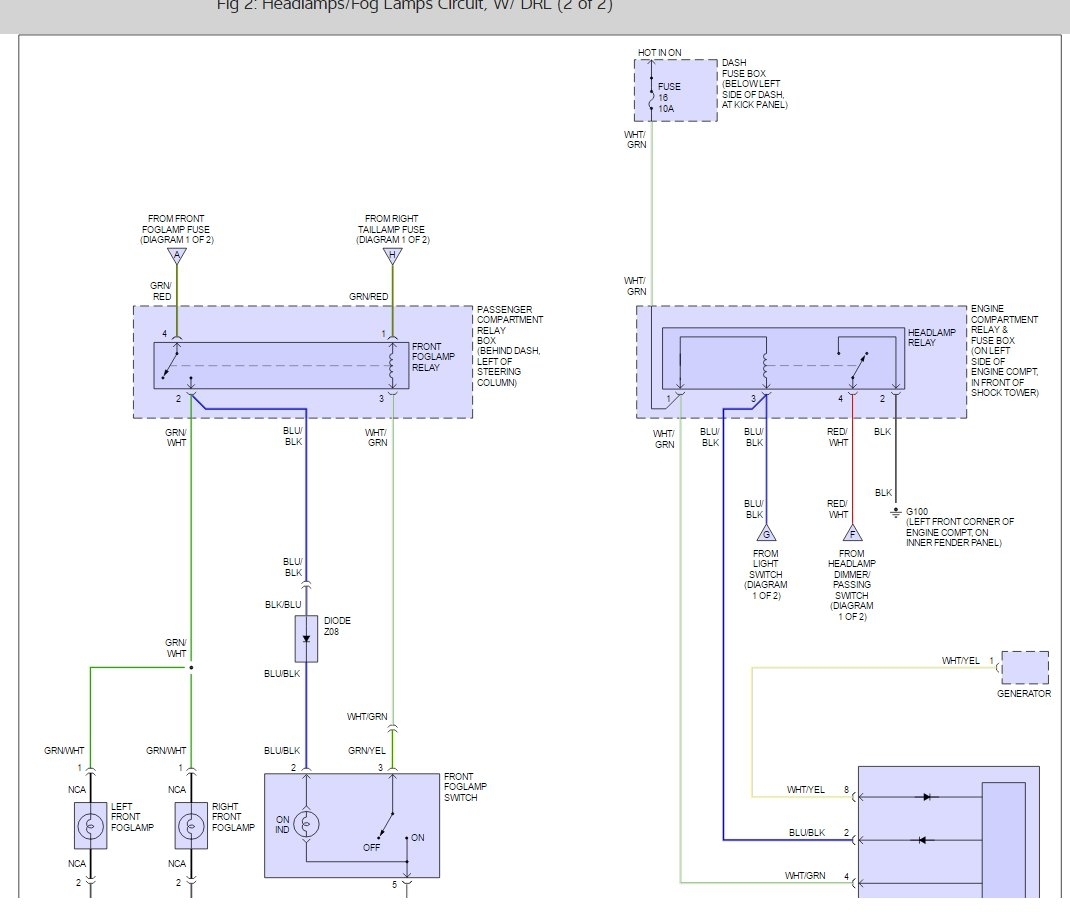
Here is guide to help test the relay and the relay locations in the diagrams below:

https://www.2carpros.com/articles/how-to-check-an-electrical-relay-and-wiring-control-circuit

Check out the diagrams (below). Please let us know what happens.
Jul 31, 2019 at 11:47 AM