air conditioning stopped working

1999 HONDA CIVIC
110,000 MILES • 4 CYL • FWD • AUTOMATIC
Avatar
2CP-ARCHIVES
  • MEMBER
  • 4,540 POSTS
1999 Honda Civic mileage 110,000. The air conditioning on my Civic stopped working intermittently this week, mostly upon acceleration, then stopped blowing cold air all together. I purchased a recharge kit (R134a) with a gauge, and upon connecting, realized the low side held approximately 100 PSI. I don't have an adapter to check the pressure of the high side. The low side pressure does not change with engine running or not. My thought is I might have a blockage. Is there an Achilles heel of the R134a A/C system in this car, and do you have a suggestion as to where any blockage or stuck valve may be. I think I may have to resort to taking it in for professional service, since my ASE A/C certification ran out in 1992, two years before R134a became standard. Any advice would be helpful. The compressor is turning properly.

Jan 4, 2011 at 7:18 PM
Advertisement
Avatar
2CP-ARCHIVES
  • MEMBER
  • 4,540 POSTS
Your problem could be that the vacuum lines have failed, blend doors in the heater-air-conditioning duct work are stuck or malfunctioning, fuses have blown, bad switches and or relays, etc. Even with your expertise, you should have your air conditioning repaired by an experienced mechanic

This guide will help us fix it

https://www.2carpros.com/articles/car-air-conditioner-not-working-or-is-weak

Please run down this guide and report back.
Jan 4, 2011 at 7:22 PM
Avatar
JOSHSCIVIC
  • MEMBER
  • 10 POSTS
The AC on my 1999 Honda Civic 1.6 SOHC was not working well. I recharged the system it mostly works. It doesn't work well when I am at idle at a stop light or parked. I have the impression that the engine compartment needs to be cool enough for the AC to work properly. I thought the radiator fan wasn't coming on frequently enough so I ran a temporary toggle switch to keep the radiator fan on and it allows the AC to keep blowing cold air while stopped. However, in trouble shooting the radiator fan, I believe it is working correctly. I used a IR thermometer to check the temperature of the thermostat housing and the radiator fan kicks on when it reads 193 degrees (book says it should come on at 196). It only stays on for a minute but as soon as it goes off, the thermostat housing temperature is 180 degrees. Seems ok to me. I put a gauge set on and here is what I found:
Engine off- Low side spikes high and High side reads 100
Engine cold with AC off- Low side spikes high and High side reads 100 (no change from engine being off)
Turn AC on before engine gets up to temperature and the guages read 20 on the Low side and 140 on the high side
Once the engine gets up to temperature the Low side reads about 50 and the High side stays at 140.
As soon as I shut off the AC, the Low side goes up to 60 and slowly but steadily rises and the High side drops to 100 but eventually comes back to 140.
The book I have says that normal operating pressures are Low Side 23-36 and High side 240 to 300.
I have to admit that I'm a bit confused by the book I have as there may be more than one cause to my problem ranging from a "slightly low charge" to an Expansion Valve problem. Per the book, with a high reading on the Low Side and a low reading on the High Side, I should have a "noisy compressor" but the compressor is working fine. Any insight? PS- I haven't dug into the evaporator area but I don't see any leaks (I used a dye when I recharged last month). I have considered an after market fan control switch which will turn on the radiator fan whenever the AC is turned on but I'm not sure what the consequences are of running the coolant to cold. (If that is even a concern). I hope I have given enough information for you to help.
Jun 20, 2020 at 10:59 AM (Merged)
Advertisement
Avatar
JOSHSCIVIC
  • MEMBER
  • 10 POSTS
Also, yes- the condenser fan comes on when the AC is turned on- replaced that motor a couple of weeks ago.
Jun 20, 2020 at 10:59 AM (Merged)
Avatar
JOSHSCIVIC
  • MEMBER
  • 10 POSTS
Thinking of more information (sorry)- when I changed out the condenser fan motor a couple of weeks ago I cleaned the fins with a brush, AC coil cleaner, water and compressed air.
Jun 20, 2020 at 10:59 AM (Merged)
Avatar
KHLOW2008
  • CERTIFIED EXPERT
  • 41,814 POSTS
The readings indicates that freon level is possibly low with a low side reading of 20 and 140.

A 50/140 reading indicates the compressor is weak with low freon level.

Yours is an automatic transmission therefor both cooling fans should come on when A/C is turned on. If any is not working, you need to check the relays.
Jun 20, 2020 at 10:59 AM (Merged)
Avatar
JOSHSCIVIC
  • MEMBER
  • 10 POSTS
Thankyou. I put some dye in last month and I think I found a leak coming off the compressor by the rotor or pressure plate. The dye was red and I think I see a streak on the splash guard- red dye on black plastic is not easy to see so I'm going to get some UV dye and see if I can confirm. However, I still have the fan problem. All the relays work as they should. I'm thinking I have a problem with the ECM. What do you think?
Jun 20, 2020 at 10:59 AM (Merged)
Avatar
TODDAMEY
  • MEMBER
  • 1 POST
A couple weeks a go while I was driving my car. I realized that I was not gettting the acceleration I was use to. Knowing that the AC can affect this I turned it off and immediately felt an acceleration kick. I turned the AC back on and noticed that there was a grinding noise and decided to just leave it off. When I got home I turned the AC on and lifted the hood. The noise was horrible and extremely loud, I thought my car was going to die.

The Honda dealer ship says it's my AC compressor falling apart and throwing aluminum pieces into my AC system. I would like to know if it is my AC compressor or my AC clutch and do I really need to replace the AC hoses.

Thank you in advance for your help.
Jun 20, 2020 at 10:59 AM (Merged)
Avatar
BRUCE HUNT
  • CERTIFIED EXPERT
  • 3,754 POSTS
Well obviously I don't have the sight part of it to know what to do. But I can suggest that from what you have described the clutch seems to be the problem or the bearing on the pulley. Not much help from the blind.
Jun 20, 2020 at 10:59 AM (Merged)
Avatar
KHLOW2008
  • CERTIFIED EXPERT
  • 41,814 POSTS
Nope, should bot be the ECM.

Have you tested the fan motors?
Jun 20, 2020 at 10:59 AM (Merged)
Avatar
JOSHSCIVIC
  • MEMBER
  • 10 POSTS
Yes. Both fan motors work- Condenser works when AC comes on and radiator fan comes on when the circut is closed on the ECT. (Both work with a hot jump too) I also jumped the power circuits in the relay slot and the radiator fan came on. When I jumped the power circuit on the condenser fan, I just heard a click coming from somewhere around the compressor. Not sure if the other electronics, such as AC clutch relay have anything to do with it but when I put the condenser fan relay back in and turned on the AC, the fan came on as expected. Just can't get them to come on at the same time (when turning on AC) unless the coolant temp gets high enough to trigger the radiator fan.
Jun 20, 2020 at 10:59 AM (Merged)
Avatar
KHLOW2008
  • CERTIFIED EXPERT
  • 41,814 POSTS
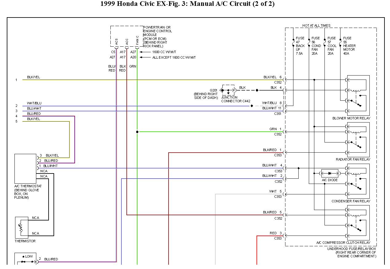
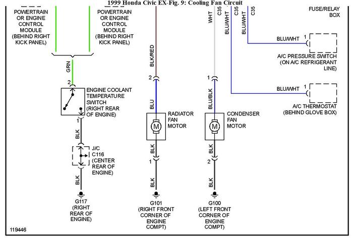
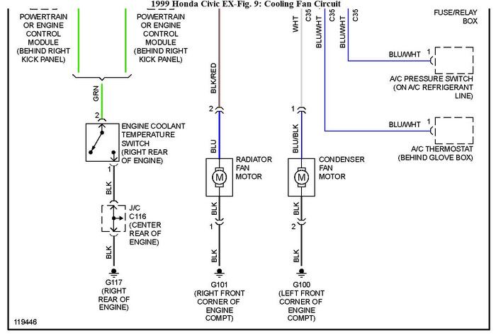
Here are the schematic for the cooling fan system. From the first two diagram, seems the fans works individually and the radiator cooling fan does not work with the A/C compressor.

However the A/C system indicates the PCM is responsible for the radiator cooling fan to come on when the A/C is turned on. Seems the PCM ground circuit for the radiator fan relay is not worling correctly.

Try using a test lamp to ground the A20 terminal of the PCNM to see if the radiator fan comes on with the ECT switch disconnected.


Jun 20, 2020 at 10:59 AM (Merged)
Avatar
JOSHSCIVIC
  • MEMBER
  • 10 POSTS
Alright, pulled the ECT, pulled connector A and grounded the port for A20 on the wiring harness/connector. The radiator fan came on! I checked for a ground on the PCM/ECM A20 terminal and got nothing. I ran a jumper from PCM terminal A20 to the port on the connector and got nothing. I'm not sure how the PCM/ECM is grounded. I connected a temporary ground to the slot where the bolt holds the unit to the car and reconnected Connector A and got nothing. My assumption is that no ground is being sent to terminal A20 on the PCM.
Jun 20, 2020 at 10:59 AM (Merged)
Avatar
SANDYANDCHRIS01
  • MEMBER
  • 7 POSTS
A/C not blowing cold air. I had the system gassed up last summer an the pressure was good and had it checked for any leaks and there was none. The compressor was working and it was blowing somewhat cool air but not cold. Then I think it may have stopped turning on but im not really certain. Its like I can here it when it turns on but not 100% positive because its not as loud as it was.
Jun 20, 2020 at 10:59 AM (Merged)
Avatar
KHLOW2008
  • CERTIFIED EXPERT
  • 41,814 POSTS
The PCM grounds the circuit when signals from the AC is recieved. This circuit is not working and the likely cause is the PCM itself.

Guess you would have to try substituting the PCM.
Jun 20, 2020 at 10:59 AM (Merged)
Avatar
WRENCHTECH
  • CERTIFIED EXPERT
  • 20,761 POSTS
You can not say the system had no leaks because the original charge had already leaked out. You need to have the system troubleshooted with gauges to determine if it still has the proper charge in it and whether the compressor is activating or if something else has failed.
Jun 20, 2020 at 10:59 AM (Merged)
Avatar
JOSHSCIVIC
  • MEMBER
  • 10 POSTS
I thought the conversation was going there. Thanks for your help.
Jun 20, 2020 at 10:59 AM (Merged)
Avatar
KHLOW2008
  • CERTIFIED EXPERT
  • 41,814 POSTS
Was problem resolved?
Jun 20, 2020 at 10:59 AM (Merged)
Avatar
LC6186
  • MEMBER
  • 3 POSTS
99 civic I have replaced the coolant reservior recently because it had a hole in it. I also replaced the radiator and thermostat because the temp will get real high and then the A/C will blow hot air, I will check the fluid after it cools down and it will be half gone. I bought the car about a year ago and it has just started doing this. Any ideas?
Jun 20, 2020 at 10:59 AM (Merged)
Avatar
KHLOW2008
  • CERTIFIED EXPERT
  • 41,814 POSTS
Hi Ic6186,

After replacing the radiator, did you bleed the cooling system? Trapped air pocket will cause overheating and the coolant from reserve tank would not be drawn into the system.

If bleeding had been done, is the reserve tank fluid level constant or maybe slightly higher?

If the level drops drastically, then there must some leakage somewhere. Otherwise you have a blown head gasket due to overheating causes by constant loss of coolant.
Jun 20, 2020 at 10:59 AM (Merged)
Avatar
LC6186
  • MEMBER
  • 3 POSTS
The fluid is constant in the coolant reservoir. When I replaced the radiator I did not have the system flushed. I just let what coolant that was in there come out and put on the new one and poured more fluid in.
Jun 20, 2020 at 10:59 AM (Merged)
Avatar
KHLOW2008
  • CERTIFIED EXPERT
  • 41,814 POSTS
Hi lc6186,

Try bleeding the system and see if it helps.

If after bleeding the system and you have coolant loss at the radiator but not the reserve tank, then you might have a head gasket proble.

Check the radiator cap for worn seals.
Jun 20, 2020 at 10:59 AM (Merged)
Avatar
LC6186
  • MEMBER
  • 3 POSTS
K thanks will let ya know what I find out.
Jun 20, 2020 at 10:59 AM (Merged)
Avatar
CAROWNER85
  • MEMBER
  • 2 POSTS
Air Conditioning problem
1999 Honda Civic 4 cyl Automatic 91000 miles
----------------------------------------------------------------
Hi! Last week while I was driving on the highway my AC stopped functioning all of a sudden and I heard a horrible grating noise coming from the engine when I tried to turn off the AC and turn it on again. This still persists whenever I try to turn on the AC. Also, the engine sounds different when I turn the car on WITHOUT the AC on. Any ideas on what the problem might be?
Jun 20, 2020 at 10:59 AM (Merged)
Avatar
KHLOW2008
  • CERTIFIED EXPERT
  • 41,814 POSTS
Most probably the compressor needs to be replaced.

Check the beltings and see if they are slpping, worn due to the jammed compressor. Also check crank pulley for wobblies with the engine started.
Jun 20, 2020 at 10:59 AM (Merged)
Avatar
KB3JLC
  • MEMBER
  • 1 POST
Air Conditioning problem
1999 Honda Civic 4 cyl Two Wheel Drive Automatic 70k miles

Dear Sirs,
I have a question regarding the cooling performance of my a/c system in my 99 Honda Civic EX. Allow me to setup the question first. My a/c system could make the interior of the car feel like a refrigerator on steroids, and always could, since new. But, like all cars, stuff wears out (no complaints, it's just a matter of time, and mileage). My a/c compressor started making a racket when the a/c was turned on, not a sound when not on. (it sounded to me like a worn out pilot bearing on the compressor clutch shaft (it wasn't throwing the belt off the pulley, just noisy). So....
It was decided by the owner of the car (my mother) to have the problem resolved before it wound up throwing the serpentine belt off (a good idea). We took the car to a local shop which had serviced the car correctly in the recent past. They diagnosed the problem, and suggested replacing the entire compressor (which came with a new clutch) as a kit which included a new reciever / drier, and condensor because they were concerned about possible debris in the refrigerant from possible internal bits from the compressor. We picked the car up when promised, and drove happily away. Until about a day or so later (this was last friday, when you could fry an egg on your fender here in Baltimore).
I, myself was not riding in the car, but the girls (my wife, mother, and daughter) were, and complained that the air was not as cold, and felt more humid coming out of the vents. So. My question in all of this is: How much of a temperature drop (relative to outdoor ambient air) should I expect to see assuming the system is working properly?
Jun 20, 2020 at 10:59 AM (Merged)
Avatar
KHLOW2008
  • CERTIFIED EXPERT
  • 41,814 POSTS
Hi KB3JLC, The graph should give you an idea how it works.


https://www.2carpros.com/forum/automotive_pictures/192750_ACsystem99CivicFig02_1.jpg

Jun 20, 2020 at 10:59 AM (Merged)
Avatar
ELAINEMONTOYA
  • MEMBER
  • 1 POST
overheating on honda civic 1999 lxI replaced my thermostat but my car is still overheating help me please to figure out how to fix it I have been without a car for awhile and would like to be able to use it and not have it parked. It is taking the coolant out of reserve tank and heats up when driving does not cool of when I put on the heater then smoke comes out I already replaced thermostat I am beyond frustruated with this car and would actually like to be able to drive it.
Jun 20, 2020 at 10:59 AM (Merged)
Avatar
RIVERMIKERAT
  • CERTIFIED EXPERT
  • 6,110 POSTS
Open the radiator with the engine cool. Run the engine until the thermostat opens and observe the coolant in the radiator. You should be able to see if flowing. If not, replace the water pump. Does the fan come on when the engine reaches operating temp? If not, check the fan relay. If that works, check to see if the fan itself is receiving power. If not, find the open circuit. Check the engine coolant temperature sensor/fan switch. Make sure it is operating properly.
Jun 20, 2020 at 10:59 AM (Merged)
Avatar
COUPECOP
  • MEMBER
  • 2 POSTS
I have a 99 civic ex I have been haveing this problem with it my a/c cools on it i can drive it for maybe 30 min and it will stop working after you let it cool down for like 1 or 2 hours it works fine like nothing happened it has freon the fan is working on it what would you think it is.
Jun 20, 2020 at 10:59 AM (Merged)
Avatar
KHLOW2008
  • CERTIFIED EXPERT
  • 41,814 POSTS
Hi coupecop,

When the AC stops cooling, check if the compressor is working.

If the compressor and cooling fans stops working, then it could be a faulty relay or the PCM.
Jun 20, 2020 at 10:59 AM (Merged)
Avatar
COUPECOP
  • MEMBER
  • 2 POSTS
the compresser doesnt work but the fan istill working
Jun 20, 2020 at 10:59 AM (Merged)
Avatar
KHLOW2008
  • CERTIFIED EXPERT
  • 41,814 POSTS
Check if there is power to the compressor clutch magnetic coil wire when the compressor stops. If yes, the compressor clutch coil is either weak or the clearance is too much resulting in the magnet not being able to pull the clutch in to operate the compressor.
Jun 20, 2020 at 10:59 AM (Merged)