Hi celticone1,
The clogging should have nothing to do with the blower fan motor as the evaporator housing connected to blower motor is rather high and would not allow water to flow to the fan motor.
To unclog the drain hose, try pinching and squeezing it from the firewall in engine compartment and if water is able to be drained off, the job is done.
Otherwise you would have to disconnect the hose from beneath the evaporator housing and use a piece of wire to clear the clogging.
The PCM is below the drain hose so care has to be excercises to prevent water from getting to it while probing the drain hole.
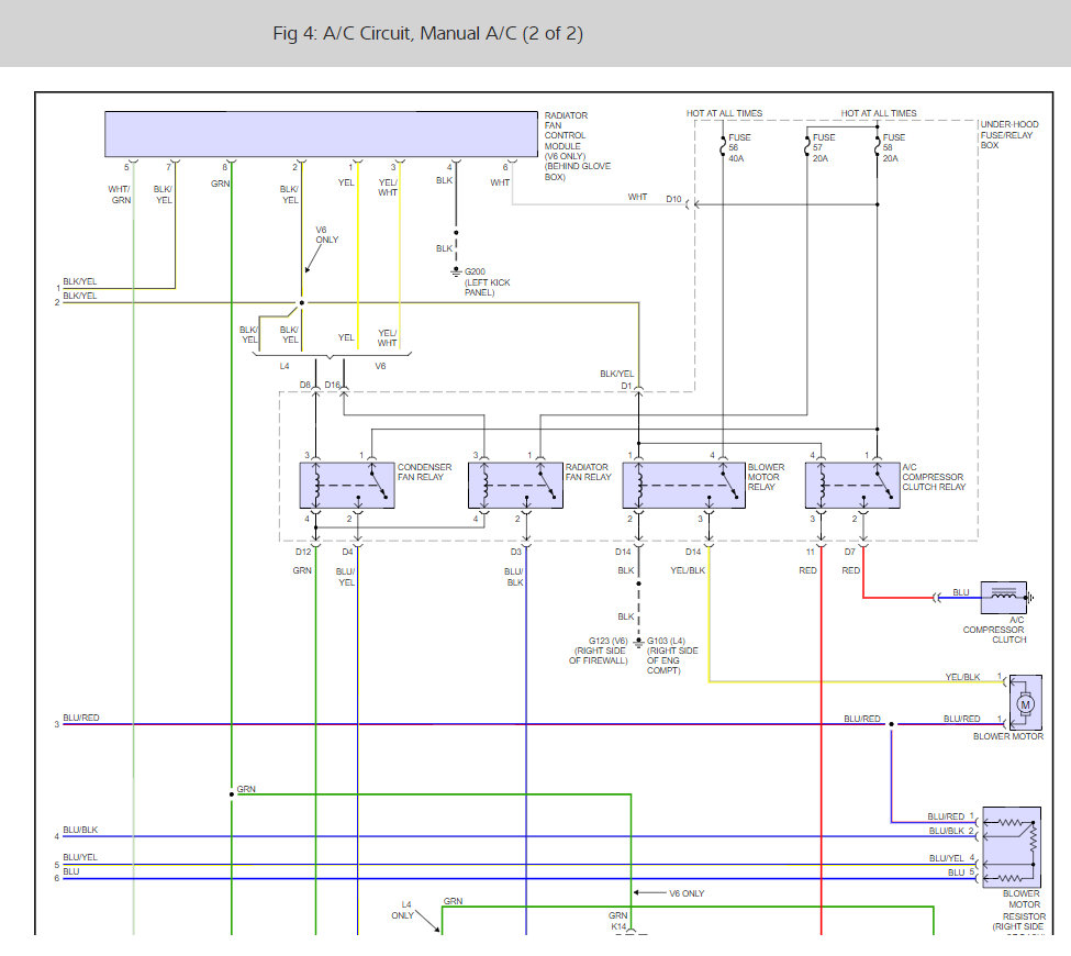
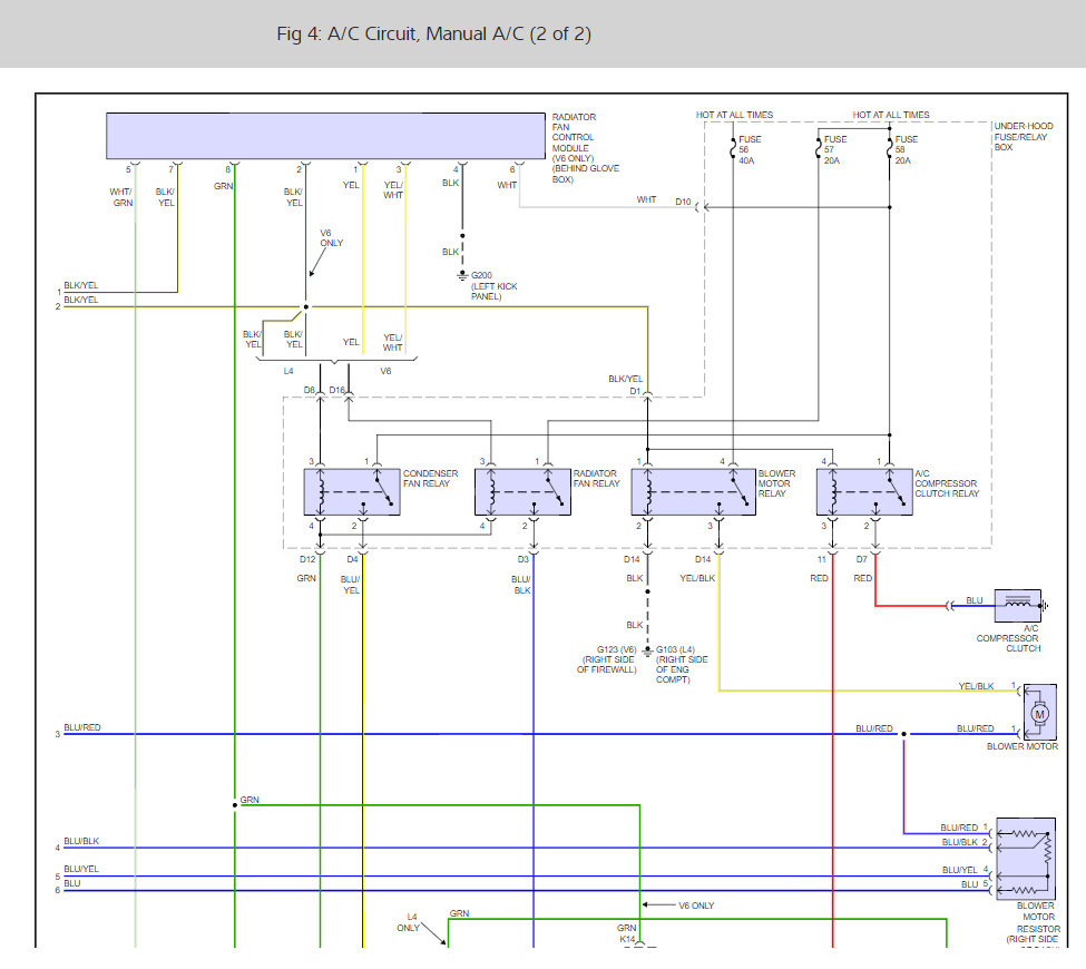
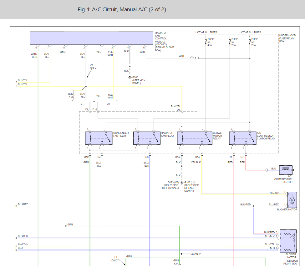
As to the blowe fan motor, it has probably called it quits and needs to be replaced. With blower turned ON, try banging the housing and if motor starts working, it is in its final stage of wear and would have to be replaced.
If it does not work, test the blower motor connector for voltage with ignition switch turned ON. One of it should have power, if both do not show any voltage, check blower fuse in underhood fuse box.
Dec 1, 2020 at 1:01 PM
(Merged)