1999 GMC SONOMA
228,000 MILES
Avatar
ANONYMOUS
  • MEMBER
  • 1 POST
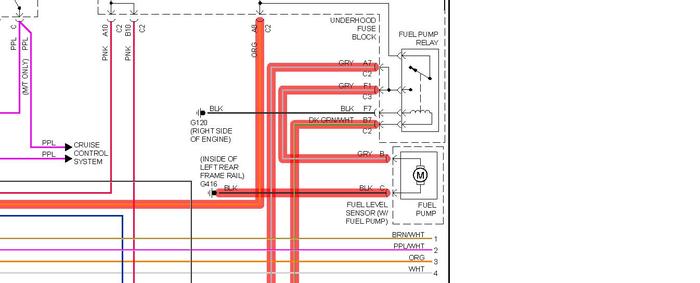
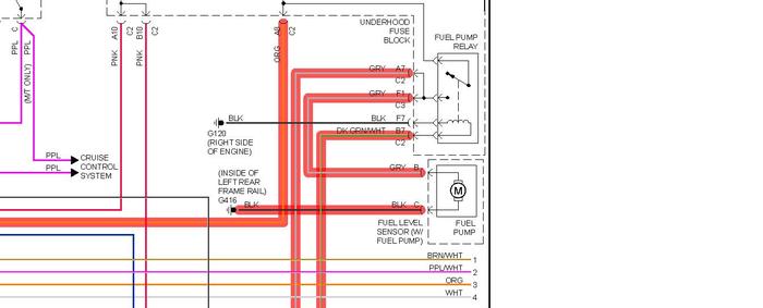
My gas guage does not work. I was told to check the ground. Where would I find it?
Nov 2, 2012 at 12:11 PM
Advertisement
Avatar
RASMATAZ
  • CERTIFIED EXPERT
  • 75,992 POSTS
See below

Nov 2, 2012 at 12:27 PM
Avatar
WRENCHTECH
  • CERTIFIED EXPERT
  • 20,761 POSTS
It is far more likely a problem with the gauge sender inside the tank.
Nov 2, 2012 at 12:32 PM
Advertisement
Avatar
RASMATAZ
  • CERTIFIED EXPERT
  • 75,992 POSTS
It'll be a different story if it was the FSU-Ground it is-when you ask you shall receive-How are you Wrench Hope all is good-back to the old drawing board-Have a nice one-sunshine on its way-
Nov 2, 2012 at 1:20 PM
Avatar
WRENCHTECH
  • CERTIFIED EXPERT
  • 20,761 POSTS
Right back at ya Ras.
Nov 2, 2012 at 1:33 PM