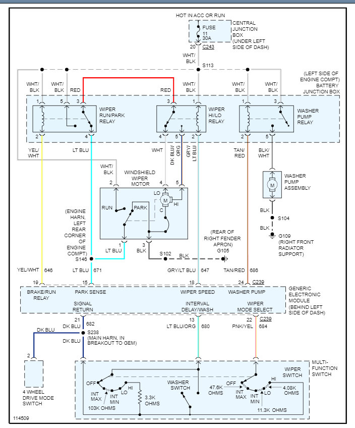
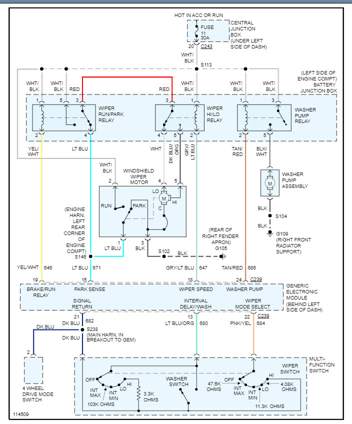
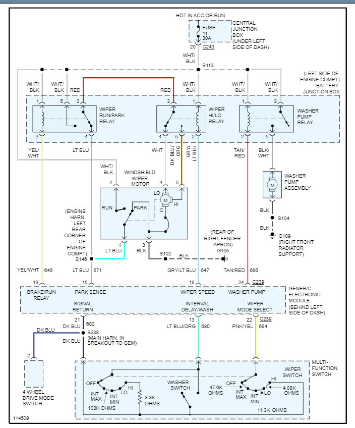
i was trying to figure out what is wrong with my 4 wheel drive i took the switch on the fly switch out and and for some reason thought that i could just cross the connection. When i did that i must have ground it out because. i heard a popping sound and my dome light went out and i lost the use of my power windows and wipers. and also when i shut the truck off the radio will come back on.
Jan 6, 2011 at 1:46 AM


