☰
Login
Join
×
Home
Answered Questions
Repair Topics
Repair & Service Guides
Popular Questions
Warning Lights
Trouble Codes
How It Works
Testing / Diagnostics
Symptoms
Videos
Login
Become a Member
Home
Ford
F-250
Interior
Cruise Control
cruise control
1999 FORD F-250
185,000 MILES • V8 • 2WD • MANUAL
D GORDON
MEMBER
1 POST
FOLLOW
need to know the amp of fuse and where it is located
May 4, 2015 at 2:57 PM
Advertisement
KASEKENNY
CERTIFIED EXPERT
18,907 POSTS
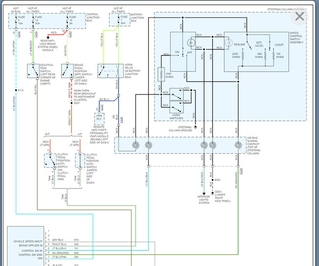
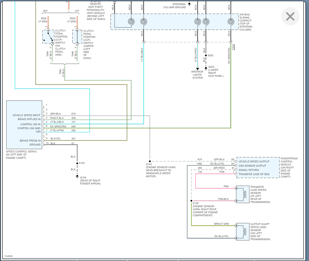
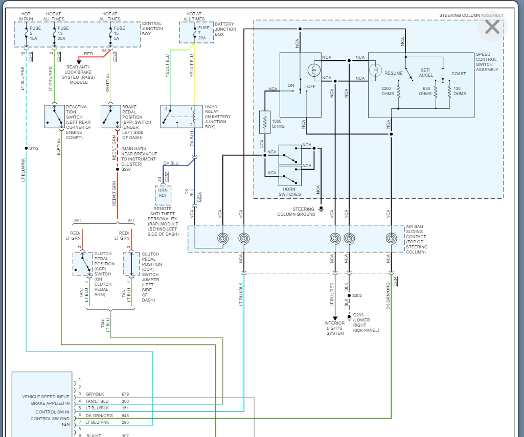
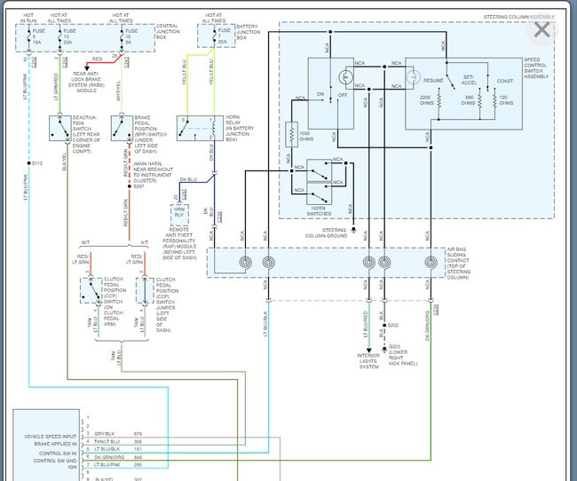
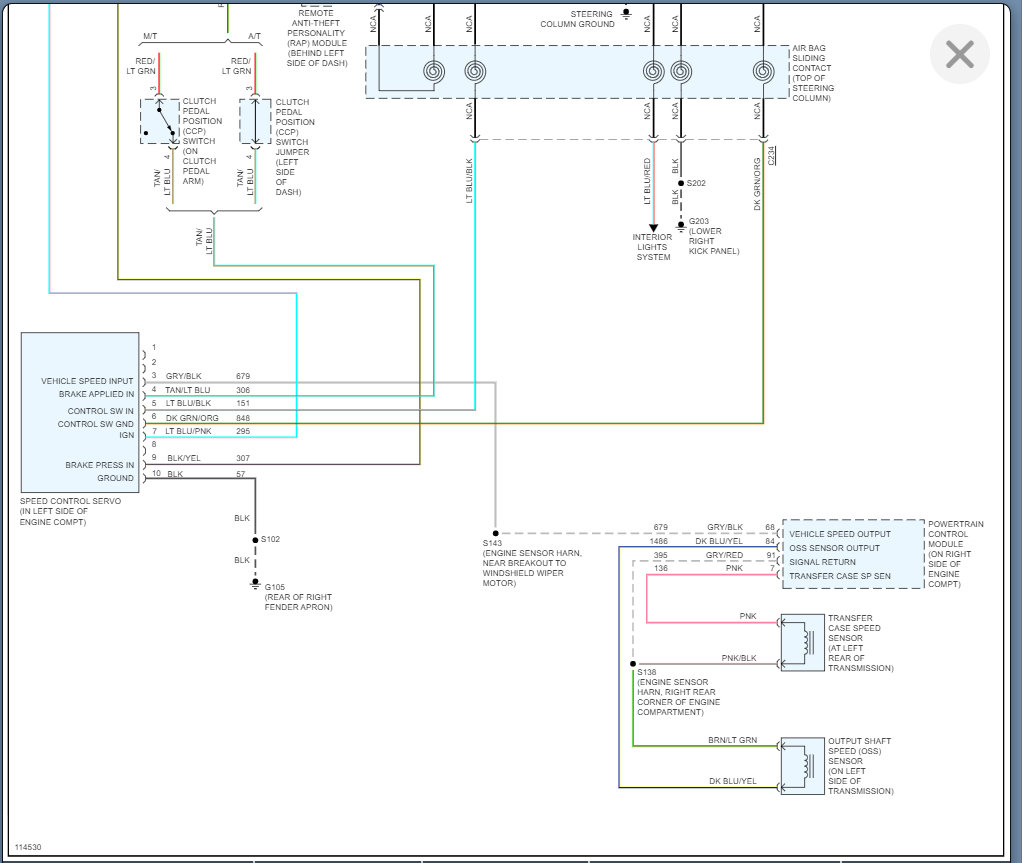
I will attach the wiring diagram below for this which will show the fuses that you need the check.
Here are a couple guides that will help with testing and checking these fuses in case you need this as well:
https://youtu.be/Hlna_kUt7As
https://www.2carpros.com/articles/how-to-check-a-car-fuse
Please see the wiring diagram below and let us know what questions you have.
Thanks
Images (Click to enlarge)
Mar 10, 2022 at 7:11 PM