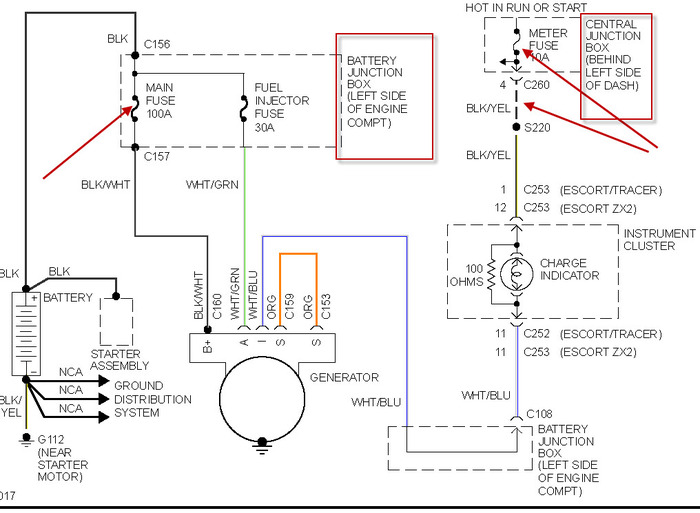
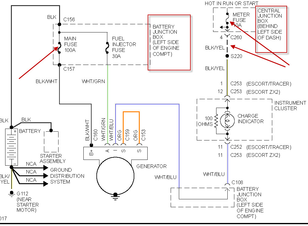
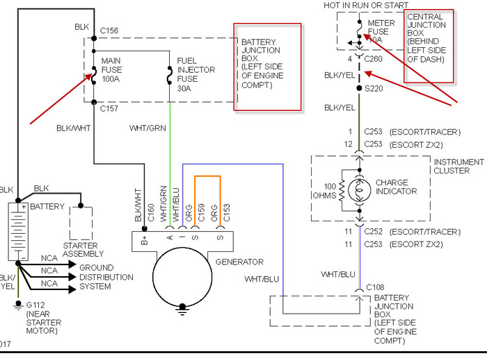
I changed alternator, battery, and new belt car will start but alternator will not charge, gauges, brake lights, and turn signals will not work.
Have tested all fuses and wires everything says that it has power going to it don't know what else to do.
Have tested all fuses and wires everything says that it has power going to it don't know what else to do.
May 24, 2012 at 11:49 PM
